Ir a la página inicial

Configurador de pernos según el diseño

3 valoraciones desde el 08.12.2025
Descripción

Los pernos se utilizan millones de veces en una amplia variedad de diseños para numerosas aplicaciones. Una subcategoría está regulada por diversas normas.

Sin embargo, esto no es suficiente para representar todas las dimensiones utilizadas. Para poder configurar los pernos con total libertad según los requisitos individuales, hemos creado el configurador de aplicación universal "Pernos según el diseño".

Configurador para sus pernos personalizados

Sin limitaciones de ninguna norma, este configurador le ofrece una forma sencilla y rápida de configurar y realizar pedidos de pernos de forma personalizada.

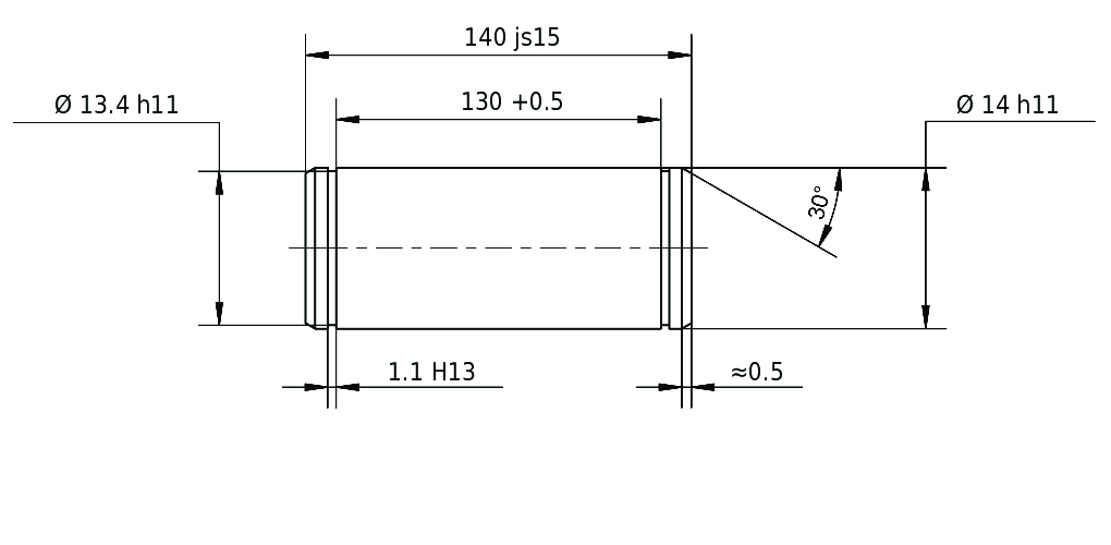
Para realizar la configuración a su gusto, puede elegir entre las siguientes características: material, superficie, diámetro, longitud, cabeza, perforación, ranura y tipo de seguridad. Introduzca las características según sus preferencias y en unos segundos aparecerá el componente deseado junto con el precio, el plazo de entrega, el boceto y el modelo en 3D.

¿Echa en falta alguna opción? Estaremos encantados de recibir sus comentarios!

[[ title ]]
Precio por unidad
No disponible [[ formatedPrice ]] A demanda
a partir de [[ price.from ]] unidades solo [[ price.price ]]
Opcional
Plazo de suministro
[[ computedDelivery(deliveryData?.deliveryTimeDays) ]]
A demanda
aún [[ stock ]] unidades en almacén


Priorice este componente (máx. 400 unidades) en nuestra fabricación. Acorte el plazo de entrega 1-2 días hábiles. Actualmente estamos probando este servicio exclusivamente para las entregas en Alemania.
Accesorios para [[ title ]]
Artículos similares disponibles
Cesta de la compra
Precio total
No disponible [[ formatedSumprice ]] A demanda

incl. IVA
más gastos de envío

Aviso legal para consumidores

Le rogamos que tenga en cuenta que, en el caso de este producto, siempre se trata de uno fabricado para usted siguiendo sus requisitos particulares y, por este motivo, no le podemos conceder el  derecho de revocación ! Dicho producto se elaborará exactamente según el dibujo creado que, si hace el pedido, también volverá a recibir por correo electrónico.

[[ error ]]
Configuración
Vástago | Diámetro [[ rules?.diameter?.min ]] - [[ rules?.diameter?.max ]] [[ rules?.diameter?.unit ]]
Longitud [[ rules?.length?.min?.toFixed(1) ]] - [[ rules?.length?.max?.toFixed(1) ]] [[ rules?.length?.unit ]]
Cabeza | Diámetro [[ rules?.headdiameter?.min ]] - [[ rules?.headdiameter?.max ]] [[ rules?.headdiameter?.unit ]]
Longitud [[ rules?.headlength?.min?.toFixed(1) ]] - [[ rules?.headlength?.max?.toFixed(1) ]] [[ rules?.headlength?.unit ]]
Ranura | Tipo de seguridadDiámetro
Longitud de apriete [[ (forceClength?rules?.clength?.max?.toFixed(1):(typeof rules?.clength?.min!=='undefined'?rules?.clength?.min?.toFixed(1):'') +" - "+ (typeof rules?.clength?.max!=='undefined'?rules?.clength?.max?.toFixed(1):'')) ]] [[ rules?.clength?.unit ]]
restablecer
Detalles del productoPDF-Download
Configurador de pernos según el diseño
Modelo 3DSTEP-Download