Descripción
Pernos con cabeza DIN EN 22341 / ISO 2341 forma B
Si bien es cierto que el perno según la norma DIN EN 22341 / ISO 2341 forma B es, en principio, un perno normalizado, también es cierto que las situaciones de instalación a menudo son individuales y específicas y que rara vez un perno se parece a otro. Es por ello que, por norma general, nuestros pernos son fabricados a medida para usted.
Para que en adelante pueda usted obtener de manera más rápida y cómoda su perno deseado, ponemos a su disposición el configurador. Además de ganar tiempo, no solo se beneficiará usted de unos precios más económicos en comparación con el pedido convencional por correo electrónico, sino que sus pernos incluso tendrán prioridad en nuestros procesos de fabricación.
Información específica pernos DIN EN 22341 / ISO 2341 forma B
Es suficiente con que cumplimente usted el campo Longitud / Longitud de apriete. La medida resultante en virtud de la norma será calculada en este caso por el propio configurador. Naturalmente, también podrá usted cumplimentar los dos campos conforme a sus necesidades.
![]() |
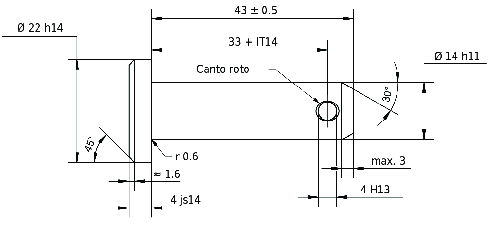
| d h11 | 4 | 5 | 6 | 8 | 10 | 12 | 14 | 16 | 18 | 20 | 22 | 24 | 27 | 30 | 33 | 36 | 40 | 45 | ||
| dk h14 | 6 | 8 | 10 | 14 | 18 | 20 | 22 | 25 | 28 | 30 | 33 | 36 | 40 | 44 | 47 | 50 | 55 | 60 | ||
| dl H13 | 1 | 1,2 | 1,6 | 2 | 3,2 | 3,2 | 4 | 4 | 5 | 5 | 5 | 6,3 | 6,3 | 8 | 8 | 8 | 8 | 10 | ||
| c max. | 1 | 2 | 2 | 2 | 2 | 3 | 3 | 3 | 3 | 4 | 4 | 4 | 4 | 4 | 4 | 4 | 4 | 4 | ||
| e ≈ | 0,5 | 1 | 1 | 1 | 1 | 1,6 | 1,6 | 1,6 | 1,6 | 2 | 2 | 2 | 2 | 2 | 2 | 2 | 2 | 2 | ||
| k js14 | 1 | 1,6 | 2 | 3 | 4 | 4 | 4 | 4,5 | 5 | 5 | 5,5 | 6 | 6 | 8 | 8 | 8 | 8 | 9 | ||
| le min. | 2,2 | 2,9 | 3,2 | 3,5 | 4,5 | 5,5 | 6 | 6 | 7 | 8 | 8 | 9 | 9 | 10 | 10 | 10 | 10 | 12 | ||
| r | 0,6 | 0,6 | 0,6 | 0,6 | 0,6 | 0,6 | 0,6 | 0,6 | 1 | 1 | 1 | 1 | 1 | 1 | 1 | 1 | 1 | 1 | ||
| l | x = rango de longitudes estándar de uso comercial | |||||||||||||||||||
| min. | max. | |||||||||||||||||||
| 8 | 7,75 | 8,25 | x | |||||||||||||||||
| 10 | 9,75 | 10,25 | x | x | ||||||||||||||||
| 12 | 11,5 | 112,5 | x | x | x | |||||||||||||||
| 14 | 13,5 | 14,5 | x | x | x | |||||||||||||||
| 16 | 15,5 | 16,5 | x | x | x | x | ||||||||||||||
| 18 | 17,5 | 18,5 | x | x | x | x | ||||||||||||||
| 20 | 19,5 | 20,5 | x | x | x | x | x | |||||||||||||
| 22 | 21,5 | 22,5 | x | x | x | x | x | |||||||||||||
| 24 | 23,5 | 24,5 | x | x | x | x | x | x | ||||||||||||
| 26 | 25,5 | 26,5 | x | x | x | x | x | x | ||||||||||||
| 28 | 27,5 | 28,5 | x | x | x | x | x | x | x | |||||||||||
| 30 | 29,5 | 30,5 | x | x | x | x | x | x | x | |||||||||||
| 32 | 31,5 | 32,5 | x | x | x | x | x | x | x | x | ||||||||||
| 35 | 34,5 | 35,5 | x | x | x | x | x | x | x | x | x | |||||||||
| 40 | 39,5 | 40,5 | x | x | x | x | x | x | x | x | x | x | ||||||||
| 45 | 44,5 | 45,5 | x | x | x | x | x | x | x | x | x | x | ||||||||
| 50 | 49,5 | 50,5 | x | x | x | x | x | x | x | x | x | x | x | |||||||
| 55 | 54,25 | 55,75 | x | x | x | x | x | x | x | x | x | x | x | |||||||
| 60 | 59,25 | 60,75 | x | x | x | x | x | x | x | x | x | x | x | x | ||||||
| 65 | 64,28 | 65,75 | x | x | x | x | x | x | x | x | x | x | x | x | ||||||
| 70 | 69,25 | 70,75 | x | x | x | x | x | x | x | x | x | x | x | x | x | |||||
| 75 | 74,25 | 75,75 | x | x | x | x | x | x | x | x | x | x | x | x | x | |||||
| 80 | 79,25 | 80,75 | x | x | x | x | x | x | x | x | x | x | x | x | x | x | ||||
| 85 | 84,25 | 85,75 | x | x | x | x | x | x | x | x | x | x | x | x | x | |||||
| 90 | 89,25 | 90,75 | x | x | x | x | x | x | x | x | x | x | x | x | x | x | ||||
| 95 | 94,25 | 95,78 | x | x | x | x | x | x | x | x | x | x | x | x | x | x | ||||
| 100 | 99,25 | 100,75 | x | x | x | x | x | x | x | x | x | x | x | x | x | x | ||||
| 120 | 119,25 | 120,75 | x | x | x | x | x | x | x | x | x | x | x | x | x | |||||
| 140 | 139,25 | 140,75 | x | x | x | x | x | x | x | x | x | x | x | x | ||||||
| 160 | 159,25 | 160,75 | x | x | x | x | x | x | x | x | x | x | x | |||||||
| 180 | 179,25 | 180,75 | x | x | x | x | x | x | x | x | x | x | ||||||||
| 200 | 199,25 | 200,75 | x | x | x | x | x | x | x | x | x | |||||||||
Priorice este componente (máx. 400 unidades) en nuestra fabricación. Acorte el plazo de entrega 1-2 días hábiles. Actualmente estamos probando este servicio exclusivamente para las entregas en Alemania.
incl. IVA
más gastos de envío
Le rogamos que tenga en cuenta que, en el caso de este producto, siempre se trata de uno fabricado para usted siguiendo sus requisitos particulares y, por este motivo, no le podemos conceder el derecho de revocación ! Dicho producto se elaborará exactamente según el dibujo creado que, si hace el pedido, también volverá a recibir por correo electrónico.
