Saltar al contenido principal Saltar a la búsqueda Saltar a la navegación principal
Ir a la página inicial

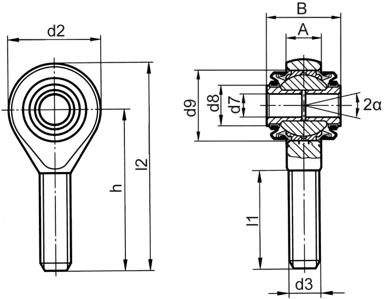
Cabezas articuladas de rótula DIN ISO 12240-4 (DIN 648) serie de medida K versión sin mantenimiento para carga elevada con empaquetadura rosca exterior

apropiado para cargas dinámicas elevadas de tracción y de compresión
16 valoraciones desde el 01.04.2026
Entornos exigentes, movimiento fiable: el diseño con empaquetadura para carga elevada mantiene la suciedad y la humedad fuera de la zona de deslizamiento y estabiliza los coeficientes de fricción durante toda la vida útil. La conexión mediante rosca exterior permite un montaje rápido en lengüetas/orificios y un ajuste preciso durante el funcionamiento. Ideal para la construcción y la maquinaria agrícola, o para instalaciones expuestas al polvo y a salpicaduras de agua, donde confluyen grandes fuerzas y una robusta fiabilidad del proceso.
Descripción

Cabeza articulada de rótula serie de medida K versión sin mantenimiento para carga elevada con empaquetadura rosca exterior


Carga estática admisible C0 (kN)

La carga estática admisible C0 (véase detalles del producto) designa, en el caso normal de aplicación, el valor con el que una cabeza articulada de rótula puede ser sometido a carga en reposo, en la sección transversal más débil, sin que se deforme permanentemente. Se trata aquí del valor de la carga radial admisible del cojinete en estado de reposo. Las cargas admisibles indicadas se han calculado por medio de los distintos valores característicos del material y están verificados mediante ensayos de tracción a temperatura ambiente. El límite elástico ha sido aprovechado hasta el 80 %. Por lo tanto, el factor de seguridad hasta el inicio de la fluencia es de 1,25.

Por medio de la carga estática admisible se calcula también la carga axial admisible:

Fa = Fa adm. = p • C0 (kN)

p = < / ~ 0,2 para cabezas articuladas de rótula serie de medida K versión sin mantenimiento para carga elevada con empaquetadura

Cargas dinámicas admisibles para cabezas articuladas de rótula a petición.

[[ title ]]
Precio por unidad
No disponible [[ formatedPrice ]] A demanda
a partir de [[ price.from ]] unidades solo [[ price.price ]]
Opcional
Plazo de suministro
[[ computedDelivery(deliveryData?.deliveryTimeDays) ]]
A demanda
aún [[ stock ]] unidades en almacén

Priorice este componente (máx. 400 unidades) en nuestra fabricación. Acorte el plazo de entrega 1-2 días hábiles. Actualmente estamos probando este servicio exclusivamente para las entregas en Alemania.
Accesorios para [[ title ]]
Artículos similares disponibles
Cesta de la compra
Precio total
No disponible [[ formatedSumprice ]] A demanda

incl. IVA
más gastos de envío

Para encontrar el artículo que está buscando, puede seleccionar en el comienzo de la tabla los criterios de filtrado que desee, introducir el texto de búsqueda y combinar ambos.
Para borrar los filtros seleccionados, haga clic en el botón de “Limpiar filtro” que encontrará debajo de la tabla.
Podrá acceder a los detalles del producto, inclusive la función de tienda virtual y la maqueta en 3D , haciendo clic en la línea del artículo que desee.