Passa alla homepage

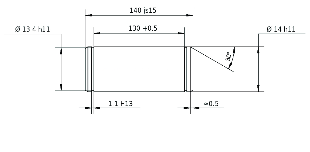
Configuratore di perni secondo il disegno

3 Valutazioni dal 08.12.2025
Descrizione

I perni vengono impiegati milioni di volte, nelle versioni più diverse, per le più svariate applicazioni. Una parte di essi è coperta da varie normative.

Ciò non è tuttavia neanche lontanamente sufficiente a rappresentare tutte le dimensioni impiegate. Per poter configurare i perni in modo completamente libero in base alle esigenze individuali, abbiamo creato il configuratore universale «Perni secondo il disegno».

Il configuratore per il vostro perno personalizzato

Senza vincoli imposti da eventuali normative, questo configuratore offre un modo semplice e rapido per configurare individualmente e ordinare i vostri perni.

Per realizzare la configurazione desiderata potete scegliere tra le caratteristiche relative a materiale, superficie, diametro, lunghezza, testa, foro, scanalatura e tipo di fermo di sicurezza. Compilate tali caratteristiche in base alle vostre necessità personali e in un baleno vi verrà mostrato il componente desiderato completo di prezzo, tempi di consegna, schizzo e modello 3D.

Trovate che manchi ancora qualche funzionalità? In questo caso saremo lieti di ricevere il vostro Feedback!

[[ title ]]
Prezzo unitario
Non disponibile [[ formatedPrice ]] Su richiesta
a partire da [[ price.from ]] pezzi solo [[ price.price ]]
Opzionale
Tempo di consegna
[[ computedDelivery(deliveryData?.deliveryTimeDays) ]]
Su richiesta
ancora [[ stock ]] pezzi in magazzino


Assegni la priorità a questo componente (max. 400 pezzi) nella nostra produzione. Abbrevi i tempi di consegna di 1-2 giorni lavorativi. Al momento stiamo testando questo servizio esclusivamente per consegne in Germania.
Accessori per [[ title ]]
Articoli simili disponibili
Carrello degli acquisti
Prezzo totale
Non disponibile [[ formatedSumprice ]] Su richiesta

incl. IVA
più costi di spedizione

Avviso legale per i consumatori

Si prega di notare che questo prodotto viene sempre realizzato individualmente per voi e per questo motivo non possiamo concedere il diritto di recesso ! Tale prodotto è fabbricato esattamente secondo il disegno consegnato, che riceverete nuovamente via e-mail in caso di ordine.

[[ error ]]
Configurazione
Codolo | Diametro [[ rules?.diameter?.min ]] - [[ rules?.diameter?.max ]] [[ rules?.diameter?.unit ]]
Lunghezza [[ rules?.length?.min?.toFixed(1) ]] - [[ rules?.length?.max?.toFixed(1) ]] [[ rules?.length?.unit ]]
Testa | Diametro [[ rules?.headdiameter?.min ]] - [[ rules?.headdiameter?.max ]] [[ rules?.headdiameter?.unit ]]
Lunghezza [[ rules?.headlength?.min?.toFixed(1) ]] - [[ rules?.headlength?.max?.toFixed(1) ]] [[ rules?.headlength?.unit ]]
Scanalatura | Tipo di sicurezzaDiametro
Lunghezza di serraggio [[ (forceClength?rules?.clength?.max?.toFixed(1):(typeof rules?.clength?.min!=='undefined'?rules?.clength?.min?.toFixed(1):'') +" - "+ (typeof rules?.clength?.max!=='undefined'?rules?.clength?.max?.toFixed(1):'')) ]] [[ rules?.clength?.unit ]]
reset
Dettagli del prodottoPDF-Download
Configuratore di perni secondo il disegno
Modello 3DSTEP-Download