Descrizione
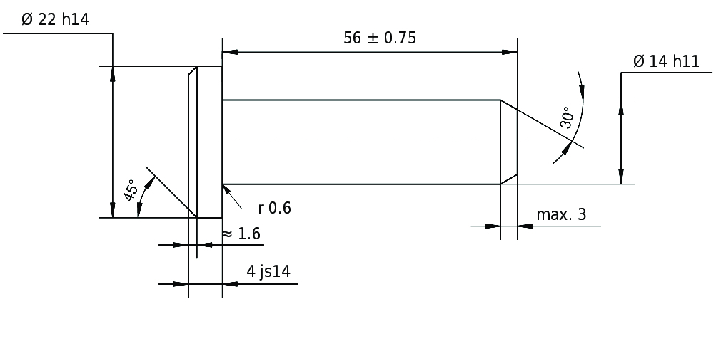
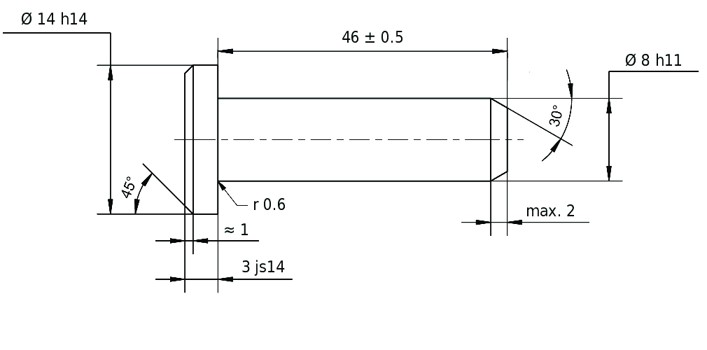
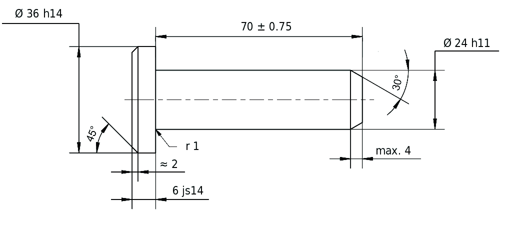
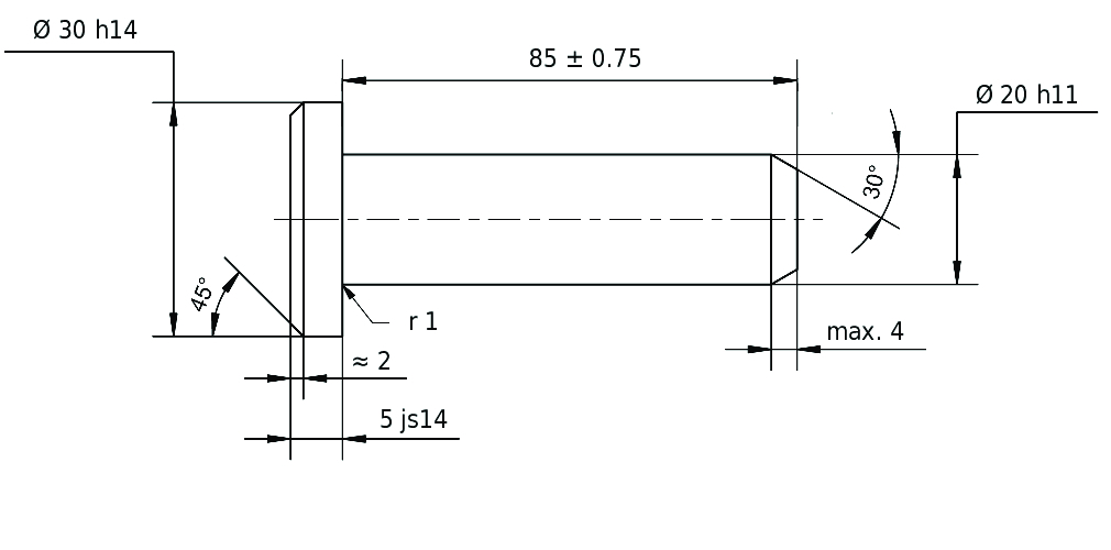
Perni con testa DIN EN 22341 / ISO 2341 Form A
Anche se in linea di principio un perno conforme a DIN EN 22341 / ISO 2341 Forma A è un perno standardizzato, le situazioni di montaggio spesso sono individuali e specifiche, ed è raro che un perno assomigli ad un altro. È per questo motivo che di regola i nostri perni vengono realizzati su misura.
Per aiutarvi in futuro ad individuare i perni di cui avete bisogno in modo ancora più veloce e comodo, vi mettiamo a disposizione il configuratore. Oltre al risparmio di tempo, non soltanto potrete beneficiare di prezzi più vantaggiosi rispetto ad una richiesta via e-mail convenzionale, ma i vostri perni avranno anche la priorità nel nostro processo di fabbricazione!
![]() |
| d h11 | 4 | 5 | 6 | 8 | 10 | 12 | 14 | 16 | 18 | 20 | 22 | 24 | 27 | 30 | 33 | 36 | 40 | 45 | ||
| dk h14 | 6 | 8 | 10 | 14 | 18 | 20 | 22 | 25 | 28 | 30 | 33 | 36 | 40 | 44 | 47 | 50 | 55 | 60 | ||
| c max. | 1 | 2 | 2 | 2 | 2 | 3 | 3 | 3 | 3 | 4 | 4 | 4 | 4 | 4 | 4 | 4 | 4 | 4 | ||
| e ≈ | 0,5 | 1 | 1 | 1 | 1 | 1,6 | 1,6 | 1,6 | 1,6 | 2 | 2 | 2 | 2 | 2 | 2 | 2 | 2 | 2 | ||
| k js14 | 1 | 1,6 | 2 | 3 | 4 | 4 | 4 | 4,5 | 5 | 5 | 5,5 | 6 | 6 | 8 | 8 | 8 | 8 | 9 | ||
| r | 0,6 | 0,6 | 0,6 | 0,6 | 0,6 | 0,6 | 0,6 | 0,6 | 1 | 1 | 1 | 1 | 1 | 1 | 1 | 1 | 1 | 1 | ||
| l | x = Intervallo di lunghezze reperibili in commercio | |||||||||||||||||||
| min. | max. | |||||||||||||||||||
| 8 | 7,75 | 8,25 | x | |||||||||||||||||
| 10 | 9,75 | 10,25 | x | x | ||||||||||||||||
| 12 | 11,5 | 112,5 | x | x | x | |||||||||||||||
| 14 | 13,5 | 14,5 | x | x | x | |||||||||||||||
| 16 | 15,5 | 16,5 | x | x | x | x | ||||||||||||||
| 18 | 17,5 | 18,5 | x | x | x | x | ||||||||||||||
| 20 | 19,5 | 20,5 | x | x | x | x | x | |||||||||||||
| 22 | 21,5 | 22,5 | x | x | x | x | x | |||||||||||||
| 24 | 23,5 | 24,5 | x | x | x | x | x | x | ||||||||||||
| 26 | 25,5 | 26,5 | x | x | x | x | x | x | ||||||||||||
| 28 | 27,5 | 28,5 | x | x | x | x | x | x | x | |||||||||||
| 30 | 29,5 | 30,5 | x | x | x | x | x | x | x | |||||||||||
| 32 | 31,5 | 32,5 | x | x | x | x | x | x | x | x | ||||||||||
| 35 | 34,5 | 35,5 | x | x | x | x | x | x | x | x | x | |||||||||
| 40 | 39,5 | 40,5 | x | x | x | x | x | x | x | x | x | x | ||||||||
| 45 | 44,5 | 45,5 | x | x | x | x | x | x | x | x | x | x | ||||||||
| 50 | 49,5 | 50,5 | x | x | x | x | x | x | x | x | x | x | x | |||||||
| 55 | 54,25 | 55,75 | x | x | x | x | x | x | x | x | x | x | x | |||||||
| 60 | 59,25 | 60,75 | x | x | x | x | x | x | x | x | x | x | x | x | ||||||
| 65 | 64,28 | 65,75 | x | x | x | x | x | x | x | x | x | x | x | x | ||||||
| 70 | 69,25 | 70,75 | x | x | x | x | x | x | x | x | x | x | x | x | x | |||||
| 75 | 74,25 | 75,75 | x | x | x | x | x | x | x | x | x | x | x | x | x | |||||
| 80 | 79,25 | 80,75 | x | x | x | x | x | x | x | x | x | x | x | x | x | x | ||||
| 85 | 84,25 | 85,75 | x | x | x | x | x | x | x | x | x | x | x | x | x | |||||
| 90 | 89,25 | 90,75 | x | x | x | x | x | x | x | x | x | x | x | x | x | x | ||||
| 95 | 94,25 | 95,78 | x | x | x | x | x | x | x | x | x | x | x | x | x | x | ||||
| 100 | 99,25 | 100,75 | x | x | x | x | x | x | x | x | x | x | x | x | x | x | ||||
| 120 | 119,25 | 120,75 | x | x | x | x | x | x | x | x | x | x | x | x | x | |||||
| 140 | 139,25 | 140,75 | x | x | x | x | x | x | x | x | x | x | x | x | ||||||
| 160 | 159,25 | 160,75 | x | x | x | x | x | x | x | x | x | x | x | |||||||
| 180 | 179,25 | 180,75 | x | x | x | x | x | x | x | x | x | x | ||||||||
| 200 | 199,25 | 200,75 | x | x | x | x | x | x | x | x | x | |||||||||
Assegni la priorità a questo componente (max. 400 pezzi) nella nostra produzione. Abbrevi i tempi di consegna di 1-2 giorni lavorativi. Al momento stiamo testando questo servizio esclusivamente per consegne in Germania.
incl. IVA
più costi di spedizione
Si prega di notare che questo prodotto viene sempre realizzato individualmente per voi e per questo motivo non possiamo concedere il diritto di recesso ! Tale prodotto è fabbricato esattamente secondo il disegno consegnato, che riceverete nuovamente via e-mail in caso di ordine.
