Passa al contenuto principale Salta alla ricerca Passa alla navigazione principale
Passa alla homepage

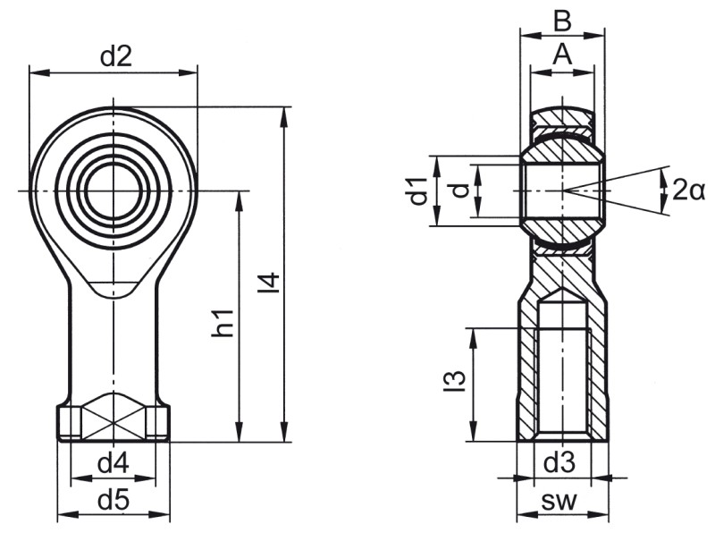
Teste a snodo DIN ISO 12240-4 (DIN 648) serie K versione che non richiede manutenzione filettatura interna

idoneo per carichi dinamici
51 Valutazioni dal 12.04.2026
Il classico compatto per aste di collegamento e leve: Testa a snodo serie K con filettatura interna e accoppiamento scorrevole senza manutenzione. La sagoma snella riduce i rischi di collisione, la filettatura interna protegge la giunzione e facilita la realizzazione di passaggi attraverso l'involucro. Ideale per meccanismi con vincoli d'ingombro nel settore della costruzione di macchine e impianti – con movimento regolare, coefficienti di attrito stabili e senza intervalli di lubrificazione.
Descrizione

Testa a snodo serie K versione che non richiede manutenzione filettatura interna


Se è necessario trasmettere forze statiche o dinamiche nei movimenti di ribaltamento, rotazione oppure orientamento si utilizzano le teste a snodo. Questi elementi per macchine, prodotti per lo più a norma DIN ISO 12240-4 / DIN 648, sono particolarmente adatti per applicazioni con basse velocità di scorrimento.
Sono disponibili sia la serie K sia la più sottile serie E, ciascuna con filettatura interna o esterna. Queste teste a snodo sono disponibili facoltativamente in versioni che non richiedono manutenzione o lubrificabili (soggette a manutenzione).

La struttura di una testa a snodo si divide in tre elementi, perfettamente combinati: anello sferico, guscio del cuscinetto e supporto. Grazie a un mix di materiali sapientemente selezionati di tre singoli componenti gli elementi di collegamento possono essere utilizzati sotto carico assiale, ad alta pressione, sotto carico di trazione e compressione, ad alti regimi o sotto alto carico dinamico. E questo sia in abbinamento di materiale acciaio e acciaio inossidabile.
Nelle varianti che non richiedono manutenzione all'interno del guscio del cuscinetto vengono incollate efficienti lamine di scorrimento (ad es. in PTFE) sotto forma di rivestimento. In questo modo si ottiene un utilizzo duraturo della testa a snodo.
Grazie al gran numero di varianti e alle caratteristiche che ne derivano le teste a snodo standard sono presenti in quasi tutte le applicazioni industriali.

Il sistema modulare consente componenti economici e tempi di riapprovvigionamento brevi

Una volta che il pezzo desiderato è stato configurato secondo le esigenze, anche il prezzo e la disponibilità sono fattori che influiscono in modo decisivo sulla scelta del fornitore.
Grazie all'intelligente sistema modulare è possibile realizzare anche piccole serie realizzabili in tempi brevi. In questo caso l'utente beneficia in particolare delle elevate quantità dei singoli componenti, in quanto la testa a snodo può essere prodotta a basso costo ed è inoltre disponibile in tempi rapidi. è possibile realizzare più rapidamente anche soluzioni speciali secondo le specifiche del cliente.

Oltre a ciò le teste a snodo possono essere dotate anche di un bullone filettato o di una guarnizione. Naturalmente gli snodi sferici utilizzati a norma DIN 12240-1 sono acquistabili anche separatamente. Per il settore idraulico sono disponibili teste a snodo per idraulica (DIN 24338 / ISO 6982 o DIN 2455 / ISO 8133) utilizzate ad esempio sui cilindri idraulici. Sono progettate per forze estremamente elevate.


Capacità di carico statico C0 (kN)

In una applicazione standard il capacità di carico statico C0 (vedere dettagli del prodotto) indica il massimo valore di sollecitazione di una testa a snodo con un carico a riposo nella sezione più debole, prima che la testa si deformi in modo permanente. Si tratta del valore del carico radiale ammesso sul cuscinetto da fermo. I carichi indicati vengono calcolati sulla base dei valori caratteristici dei diversi materiali e verificati mediante prove di trazione a temperatura ambiente. Il limite di snervamento è stato sfruttato all'80%. Il fattore di sicurezza all'inizio dello snervamento è pertanto 1,25.

Con il capacità di carico statico si calcola anche il carico assiale ammesso:

Fa = Fa amm. = p • C0 (kN)

p = < / ~ 0,2 per teste a snodo serie K versione che non richiede manutenzione

Capacità di carico dinamico per le teste a snodo su richiesta.

[[ title ]]
Prezzo unitario
Non disponibile [[ formatedPrice ]] Su richiesta
a partire da [[ price.from ]] pezzi solo [[ price.price ]]
Opzionale
Tempo di consegna
[[ computedDelivery(deliveryData?.deliveryTimeDays) ]]
Su richiesta
ancora [[ stock ]] pezzi in magazzino

Assegni la priorità a questo componente (max. 400 pezzi) nella nostra produzione. Abbrevi i tempi di consegna di 1-2 giorni lavorativi. Al momento stiamo testando questo servizio esclusivamente per consegne in Germania.
Accessori per [[ title ]]
Articoli simili disponibili
Carrello degli acquisti
Prezzo totale
Non disponibile [[ formatedSumprice ]] Su richiesta

incl. IVA
più costi di spedizione

Per trovare l’articolo desiderato, selezionare la quantità richiesta tra i filtri di ricerca nell'intestazione della tabella, inserire il testo di ricerca e associarli.
Per annullare il filtro di ricerca, cliccare sul pulsante di "Cancella" che si trova sotto la tabella.
I dettagli del prodotto, compresa funzione eShop e modello 3D , sono richiamabili cliccando nella riga dell’articolo desiderato.