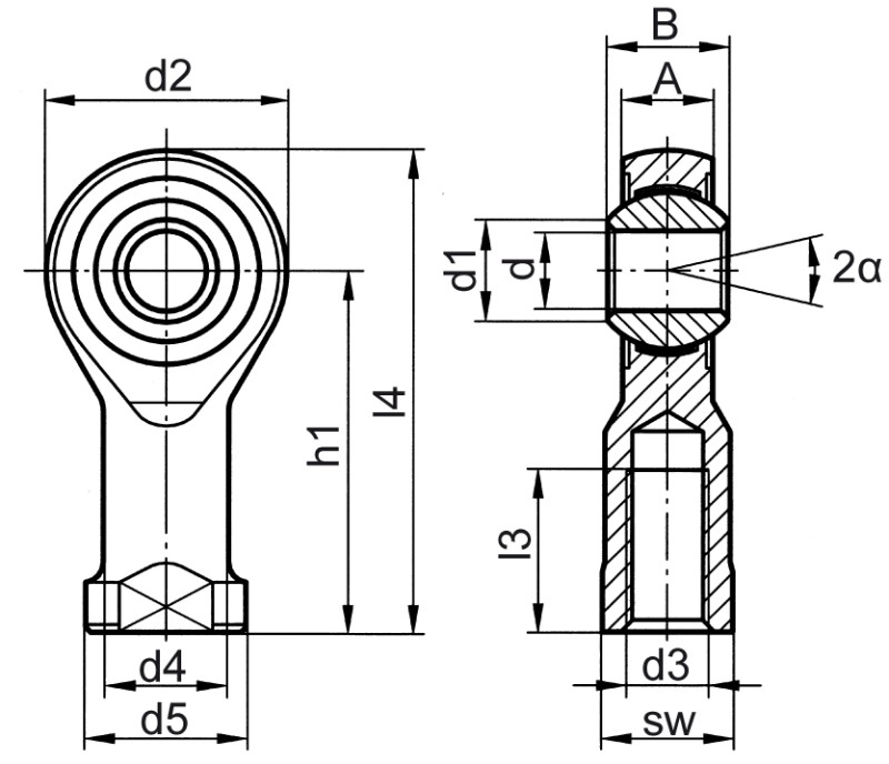
Teste a snodo DIN ISO 12240-4 (DIN 648) serie K versione che non richiede manutenzione senza guscio del cuscinetto filettatura interna
idoneo per forze assiali ridotte e per movimenti rotatori limitati, non adatto per rotazioni complete
37 Valutazioni dal 05.05.2026
Semplice e salva-spazio: la versione semplice senza guscio del cuscinetto permette l’impiego con carichi ridotti. La filettatura interna riduce l’ingombro, protegge il collegamento e favorisce soluzioni costruttive incapsulate. Perfetta per progetti di sviluppo, banchi prova o serie con requisiti di carico ridotti – consentendo al contempo l’integrazione in cinematiche compatte e critiche dal punto di vista delle collisioni.
Selezionare dapprima cliente privato o aziendale!
Purtroppo è stato necessario adeguare il prezzo di questo articolo a causa dell'aumento dei costi di approvvigionamento. Tuttavia, saremo lieti di collaborare per trovare una soluzione per attenuare l’impatto dell'aumento. È sufficiente contattare il proprio referente:
La quantità attualmente consentita per lo Shop è stata superata. Siamo comunque lieti della vostra richiesta!
Purtroppo la quantità minima dovuta al rivestimento è di [[minsurface]] pezzi. In alternativa è possibile ricevere la merce senza rivestimento (lucido, leggermente oliato) o in acciaio inossidabile (1.4305, 1.4301 o 1.4404) a partire dalla quantità di un pezzo:
Il prodotto è stato aggiunto al tuo carrello
[[ title ]]
Prezzo unitario
Non disponibile
[[ formatedPrice ]]
Su richiesta
a partire da [[ price.from ]] pezzi solo [[ price.price ]]
Opzionale
Tempo di consegna
[[ computedDelivery(deliveryData?.deliveryTimeDays) ]]
Su richiesta
ancora [[ stock ]] pezzi in magazzino
Assegni la priorità a questo componente (max. 400 pezzi) nella nostra produzione. Abbrevi i tempi di consegna di 1-2 giorni lavorativi. Al momento stiamo testando questo servizio esclusivamente per consegne in Germania.
Accessori per [[ title ]]
Prezzo unitario [[ formatTaxPrice(aprice[article.number]) ]]Su richiesta
|
Selezionare per richiesta dati
Su richiesta
[[ computedDelivery(adeliveryData[article.number]?.deliveryTimeDays) ]]
Carrello degli acquisti
Prezzo totale
Non disponibile
[[ formatedSumprice ]]
Su richiesta
incl. IVA
più costi di spedizione
Per trovare l’articolo desiderato, selezionare la quantità richiesta tra i filtri di ricerca nell'intestazione della tabella, inserire il testo di ricerca e associarli.
Per annullare il filtro di ricerca, cliccare sul pulsante di "Cancella" che si trova sotto la tabella.
I dettagli del prodotto, compresa funzione eShop e modello 3D , sono richiamabili cliccando nella riga dell’articolo desiderato.
Per annullare il filtro di ricerca, cliccare sul pulsante di "Cancella" che si trova sotto la tabella.
I dettagli del prodotto, compresa funzione eShop e modello 3D , sono richiamabili cliccando nella riga dell’articolo desiderato.