Passa al contenuto principale Salta alla ricerca Passa alla navigazione principale
Passa alla homepage

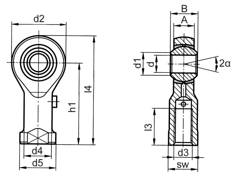
Teste a snodo DIN ISO 12240-4 (DIN 648) serie K versione standard filettatura interna

lubrificabile, idoneo per carichi assiali
25 Valutazioni dal 10.04.2026
Solido, compatto, versatile: La versione standard con filettatura interna riduce gli ingombri e protegge la giunzione filettata. La lubrificazione consente valori di attrito stabili per l'intero ciclo di vita. Adatto per elementi di collegamento generici in spazi ristretti, dove è richiesta una soluzione economica e di facile manutenzione.
Descrizione

Testa a snodo serie K versione standard filettatura interna


Capacità di carico statico C0 (kN)

In una applicazione standard il capacità di carico statico C0 (vedere dettagli del prodotto) indica il massimo valore di sollecitazione di una testa a snodo con un carico a riposo nella sezione più debole, prima che la testa si deformi in modo permanente. Si tratta del valore del carico radiale ammesso sul cuscinetto da fermo. I carichi indicati vengono calcolati sulla base dei valori caratteristici dei diversi materiali e verificati mediante prove di trazione a temperatura ambiente. Il limite di snervamento è stato sfruttato all'80%. Il fattore di sicurezza all'inizio dello snervamento è pertanto 1,25.

Con il capacità di carico statico si calcola anche il carico assiale ammesso:

Fa = Fa amm. = p • C0 (kN)

p = < / ~ 0,4 per teste a snodo serie K versione standard

Capacità di carico dinamico per le teste a snodo su richiesta.

[[ title ]]
Prezzo unitario
Non disponibile [[ formatedPrice ]] Su richiesta
a partire da [[ price.from ]] pezzi solo [[ price.price ]]
Opzionale
Tempo di consegna
[[ computedDelivery(deliveryData?.deliveryTimeDays) ]]
Su richiesta
ancora [[ stock ]] pezzi in magazzino

Assegni la priorità a questo componente (max. 400 pezzi) nella nostra produzione. Abbrevi i tempi di consegna di 1-2 giorni lavorativi. Al momento stiamo testando questo servizio esclusivamente per consegne in Germania.
Accessori per [[ title ]]
Articoli simili disponibili
Carrello degli acquisti
Prezzo totale
Non disponibile [[ formatedSumprice ]] Su richiesta

incl. IVA
più costi di spedizione

Per trovare l’articolo desiderato, selezionare la quantità richiesta tra i filtri di ricerca nell'intestazione della tabella, inserire il testo di ricerca e associarli.
Per annullare il filtro di ricerca, cliccare sul pulsante di "Cancella" che si trova sotto la tabella.
I dettagli del prodotto, compresa funzione eShop e modello 3D , sono richiamabili cliccando nella riga dell’articolo desiderato.