Passa al contenuto principale Salta alla ricerca Passa alla navigazione principale
Passa alla homepage

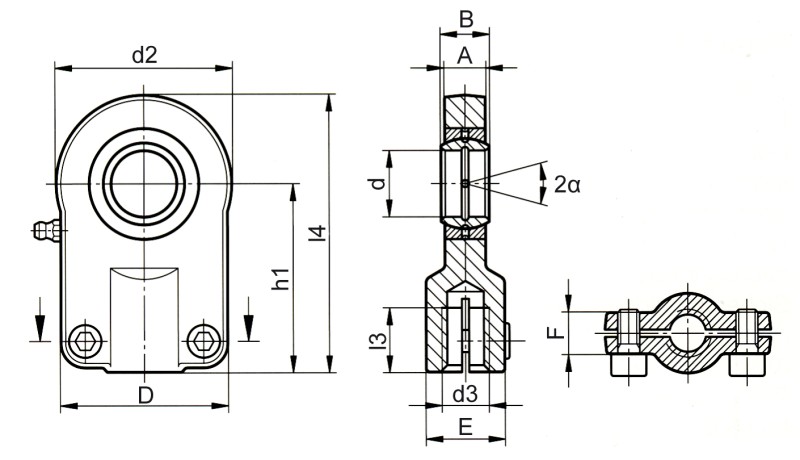
Teste a snodo per idraulica DIN 24555 / ISO 8133 versione stretta

lubrificabile, on snodo sferico stretto, applicazione per cilindro idraulico a norma 160 bar a norma ISO 6020/2
14 Valutazioni dal 21.06.2021
Quando ogni millimetro conta: la versione stretta offre la funzionalità di una testa a snodo per idraulica con ingombro notevolmente ridotto. Ideale per cilindri compatti, applicazioni mobili e spazi macchina ristretti. Le dimensioni standardizzate garantiscono la compatibilità, la forma snella facilita il montaggio senza compromettere guida e compensazione degli errori angolari. Per sistemi idraulici con vincoli di spazio che richiedono un collegamento dell’asta del pistone sicuro e robusto.
Descrizione

1. Descrizione del prodotto

I teste a snodo per idraulica DIN 24555 / ISO 8133 nella versione stretta sono elementi di collegamento meccanici che consentono una trasmissione di forza puntuale tra componenti mobili permettendo al contempo movimenti di inclinazione o rotazione. Fungono da punti di collegamento essenziali nei sistemi idraulici e consentono il movimento articolato e la trasmissione del carico attraverso diversi assi. Questo è raggiunto grazie al loro design speciale, che consente adattamenti alle deviazioni angolari durante il funzionamento, garantendo efficienza e affidabilità anche sotto carichi elevati o in condizioni sfavorevoli. Le principali differenze tra un testa a snodo per idraulica DIN 24338 e un DIN 24555 risiedono nelle dimensioni definite, adattate specificamente per le diverse esigenze applicative.

2. Dettagli del prodotto

Dimensioni: 12 M10FG - 100 M64FG

Gruppo di materiale: Acciaio

Superficie: lucida

Tipologia di filettatura: Filettatura fine destra

3. Campi di applicazione & Compatibilità

I teste a snodo per idraulica secondo DIN 24555 / ISO 8133 nella versione stretta sono impiegati in diversi settori industriali e nella costruzione di macchinari, tra cui:

Costruzione di macchine e impianti: In questo ambito, i teste a snodo per idraulica consentono il controllo preciso dei movimenti e dei carichi. Sono indispensabili per il funzionamento delle presse idrauliche, macchine CNC e altri sistemi di produzione automatizzati.

Macchine da costruzione e veicoli di cantiere: I cilindri idraulici sono una parte essenziale di numerosi macchinari da costruzione come escavatori, bulldozer, gru e altri veicoli pesanti. Assicurano movimenti precisi e la gestione di grandi carichi, fondamentale nel settore edile. I teste a snodo per idraulica conformi a DIN 24555 / ISO 8133 sono appositamente progettati per resistere a questi carichi elevati e garantire un collegamento sicuro e duraturo tra i cilindri idraulici e la struttura meccanica delle macchine.

Veicoli e macchine agricole: Nella tecnologia agricola, i teste a snodo per idraulica vengono utilizzati per garantire il funzionamento regolare di trattori, mietitrebbie e altre macchine agricole. La robustezza e la longevità di questi teste a snodo assicurano affidabilità anche in condizioni di lavoro impegnative.

Compatibilità con cilindri e sistemi idraulici: Questi teste a snodo sono appositamente progettati e standardizzati secondo DIN 24555 e ISO 8133 per fungere da parte di connessione per cilindri e sistemi idraulici. La standardizzazione facilita l'integrazione in sistemi esistenti e garantisce la compatibilità con gli standard riconosciuti a livello internazionale.

4. Vantaggi e benefici

Controllo preciso del movimento: Grazie alla loro capacità di assorbire movimenti angolari, nonché carichi assiali e radiali, i teste a snodo per idraulica offrono un controllo preciso dei movimenti. Ciò è particolarmente importante in sistemi in cui un posizionamento accurato è indispensabile.

Compensazione dei disallineamenti: I teste a snodo per idraulica offrono il vantaggio cruciale di compensare i disallineamenti e le tolleranze di movimento tra i componenti collegati. In questo modo, le tensioni meccaniche e le deformazioni si riducono, contribuendo a prolungare la durata dei componenti.

Durata in ambienti esigenti: Realizzati in materiali di alta qualità come l'acciaio, questi teste a snodo resistono ad ambienti corrosivi, elevati carichi e usura anche in condizioni operative difficili, rendendoli una scelta affidabile per applicazioni di lungo termine.

Facile montaggio e manutenzione: La standardizzazione secondo le norme DIN e ISO facilita la scelta e la sostituzione dei testa a snodo, assicurando la compatibilità con sistemi e componenti esistenti. Inoltre, i teste a snodo per idraulica a norma DIN 24555 / ISO 8133 permettono, grazie al loro design ben studiato, un montaggio e una manutenzione semplici.

Diverse possibilità di adattamento: La disponibilità in diverse dimensioni, forme e con specifiche tecniche variabili consente di soddisfare le esigenze specifiche di diverse applicazioni. Pertanto, i progettisti possono selezionare i snodi che si adattano meglio alle loro esigenze specifiche.

Affidabilità del sistema aumentata: I teste a snodo per idraulica migliorano l'affidabilità del sistema complessivo riducendo le tensioni meccaniche e ottimizzando il controllo del movimento. La loro robustezza e la capacità di funzionare in ambienti esigenti riducono la necessità di frequenti riparazioni e sostituzioni.

In sintesi, i teste a snodo per idraulica DIN 24555 / ISO 8133 versione stretta, migliorano notevolmente le prestazioni e l'affidabilità dei sistemi idraulici e meccanici. Offrono una soluzione efficace per il controllo del movimento e la trasmissione dei carichi, ottimizzando l'efficienza e la durata delle macchine e degli impianti.

5. Montaggio e installazione

Preparazione e pianificazione: Prima dell'inizio del montaggio è fondamentale analizzare accuratamente le specifiche esigenze dell'applicazione. Ciò include l'esame delle condizioni di carico, delle direzioni di movimento e delle condizioni ambientali. Altrettanto importante è la scelta del tipo di testa a snodo e della dimensione corrispondente.

Controllo dei componenti: Prima dell'installazione, le teste a snodo per idraulica e le parti adiacenti devono essere ispezionate per verificare danni, corrosione o difetti di fabbricazione. Questo assicura l'uso di parti impeccabili, garantendo la sicurezza e l'operatività dell'intero sistema.

Allineamento corretto: Un posizionamento e un allineamento precisi della testa a snodo per idraulica sono di fondamentale importanza per evitare carichi errati e usura prematura. Particolarmente l'allineamento degli assi deve essere controllato scrupolosamente per garantire che i carichi assiali e radiali possano essere supportati correttamente.

Elementi di fissaggio: L'uso degli elementi di fissaggio appropriati e il serraggio corretto con il giusto momento torcente sono essenziali per una connessione sicura. Questo assicura che durante il funzionamento non si verifichino allentamenti o spostamenti.

Lubrificazione: Una lubrificazione adeguata della testa a snodo è cruciale per un funzionamento fluido e per ridurre l'usura. Il lubrificante deve essere scelto con attenzione in base alle condizioni operative e alla compatibilità dei materiali.

Controllo dopo il montaggio: Dopo l'installazione è importante effettuare un controllo per verificare che tutti i componenti siano montati correttamente e che i movimenti avvengano come previsto. Ciò può richiedere anche l'adattamento dell'allineamento o del momento di serraggio.

6. Avvertenze di sicurezza e normative

Norme specifiche del prodotto: Il rispetto delle norme specifiche del prodotto, come DIN 24555 o ISO 8133 per i teste a snodo per idraulica, è essenziale. Queste norme stabiliscono requisiti per materiali, dimensioni e caratteristiche prestazionali, che garantiscono che i prodotti funzionino in modo affidabile nelle condizioni operative previste.

Limiti di carico: La consapevolezza e l'osservanza dei limiti di carico prestabiliti sono di massima importanza. Un sovraccarico può portare a un rapido deterioramento, al cedimento del testa a snodo e, nel peggiore dei casi, a incidenti.

Controlli di sicurezza: È necessario controllare regolarmente la sicurezza delle connessioni meccaniche, per identificare tempestivamente eventuali danni o usure e intraprendere interventi adeguati.

Condizioni ambientali: Un altro punto fondamentale è il rispetto delle condizioni ambientali in cui vengono utilizzati i teste a snodo per idraulica. Temperature estreme, umidità e sostanze chimiche aggressive possono compromettere i materiali e potrebbe essere necessario adottare misure particolari. L'aderenza a queste istruzioni di sicurezza e norme aiuta a ridurre i rischi, aumentare la sicurezza degli utenti e di altre persone, nonché a garantire la corretta funzionalità dei sistemi in cui vengono impiegati i teste a snodo per idraulica.

[[ title ]]
Prezzo unitario
Non disponibile [[ formatedPrice ]] Su richiesta
a partire da [[ price.from ]] pezzi solo [[ price.price ]]
Opzionale
Tempo di consegna
[[ computedDelivery(deliveryData?.deliveryTimeDays) ]]
Su richiesta
ancora [[ stock ]] pezzi in magazzino

Assegni la priorità a questo componente (max. 400 pezzi) nella nostra produzione. Abbrevi i tempi di consegna di 1-2 giorni lavorativi. Al momento stiamo testando questo servizio esclusivamente per consegne in Germania.
Accessori per [[ title ]]
Articoli simili disponibili
Carrello degli acquisti
Prezzo totale
Non disponibile [[ formatedSumprice ]] Su richiesta

incl. IVA
più costi di spedizione

Per trovare l’articolo desiderato, selezionare la quantità richiesta tra i filtri di ricerca nell'intestazione della tabella, inserire il testo di ricerca e associarli.
Per annullare il filtro di ricerca, cliccare sul pulsante di "Cancella" che si trova sotto la tabella.
I dettagli del prodotto, compresa funzione eShop e modello 3D , sono richiamabili cliccando nella riga dell’articolo desiderato.

Domande frequenti (FAQ)

Che cosa sono le teste a snodo per idraulica DIN 24555 / ISO 8133 e per cosa vengono utilizzate?
Teste a snodo per idraulica DIN 24555 / ISO 8133 versione stretta sono elementi di collegamento meccanico che consentono il trasferimento puntuale della forza tra componenti mobili e allo stesso tempo permettono movimenti di rotazione o oscillazione. Fungono come punti di collegamento essenziali nei sistemi idraulici e permettono il movimento articolato e il trasferimento del carico su diverse assi.
Le principali differenze tra un testa a snodo per idraulica DIN 24338 e un DIN 24555 risiedono nelle dimensioni stabilite, che sono perfettamente adeguate a diverse esigenze applicative. Mentre la DIN 24338 definisce dimensioni e design standard per una vasta gamma di applicazioni idrauliche, la DIN 24555 specifica dimensioni speciali e requisiti prestazionali per determinati tipi di macchine o condizioni operative, dove è necessaria una versione stretta. Queste differenze influenzano direttamente la scelta e l'idoneità delle teste a snodo per i sistemi idraulici.
Teste a snodo per idraulica DIN 24555 / ISO 8133 versione stretta trovano applicazione in diversi settori dell'ingegneria meccanica, in particolare nella costruzione di macchine e impianti per il controllo preciso dei movimenti, nelle macchine movimento terra e nei veicoli da costruzione per garantire movimenti precisi e la gestione di carichi pesanti, così come nei veicoli e macchinari agricoli, per garantire la funzionalità in condizioni di lavoro impegnative. La loro compatibilità con i cilindri idraulici consente l'integrazione in sistemi esistenti in conformità con le norme DIN 24555 e ISO 8133.
I teste a snodo per idraulica DIN 24555 / ISO 8133 offrono un valore aggiunto significativo nell'applicazione grazie al loro design speciale per cilindri idraulici, alla loro capacità di gestire forze e carichi maggiori, nonché al loro fissaggio supplementare tramite viti di serraggio. Incrementano le prestazioni del sistema, la sicurezza e la durata dei sistemi idraulici, rendendoli un'opzione interessante per ingegneri e progettisti. Questi teste a snodo assicurano un controllo preciso del movimento, compensano gli errori di allineamento e offrono longevità in ambienti di utilizzo impegnativi. Semplificano montaggio e manutenzione, migliorano l'efficienza energetica e offrono numerose possibilità di personalizzazione. Il loro design unico e il materiale robusto potenziano le loro prestazioni e resistenza.
Un montaggio corretto inizia con un'attenta preparazione e pianificazione, seguita dalla verifica delle parti per possibili danni. L'allineamento preciso della testa a snodo, l'utilizzo di elementi di fissaggio adeguati, una corretta lubrificazione e un'ispezione finale dopo il montaggio sono passaggi essenziali per garantire la funzionalità e la durata.
Il rispetto delle avvertenze di sicurezza e delle normative garantisce sia la sicurezza degli utenti che la qualità e l'affidabilità dei sistemi. Questo comprende l'osservanza delle normative specifiche per il prodotto, la considerazione dei limiti di carico, ispezioni di sicurezza regolari, l'utilizzo di misure di protezione e l'esecuzione qualificata da parte di personale addestrato, adeguata alle condizioni ambientali.
La scelta del tipo di testa a snodo adeguata e della sua dimensione, basata sui requisiti di carico, direzioni di movimento e condizioni ambientali, è cruciale per il corretto funzionamento ed efficienza del sistema. Specifiche non corrette possono portare a carichi errati, usura prematura e ad un aumento del rischio di guasto.
L'usura può essere ridotta mediante una corretta selezione, un'installazione professionale e una manutenzione regolare, nonché utilizzando i dispositivi di lubrificazione. Ispezioni e manutenzioni regolari aiutano a riconoscere i primi segni di usura e a prendere le contromisure appropriate.
La loro costruzione robusta e l'uso di materiali di alta qualità come acciaio o acciaio inox conferiscono a questi teste a snodo un'elevata resistenza contro ambienti corrosivi, carichi elevati e usura, anche in condizioni operative difficili. La loro capacità di compensare disallineamenti e ridurre le tensioni meccaniche contribuisce anche a prolungare la durata di vita.