Ir a la página inicial

Configurador de pernos con ranura

1 valoración desde el 26.08.2021
Descripción

Usos y ventajas de los pernos con ranura

Este tipo de pernos cuentan con una ranura perimetral que sirve para alojar una anillo de seguridad para asegurar el perno. Contrariamente a los pernos DIN con agujero, este tipo de elemento de seguridad tiene la ventaja de poder volverse a utilizar. Debido al proceso de endurecimiento a los que se les somete durante su fabricación, los anillas de seguridad presentan una tensión previa y una resistencia notablemente mayores a las de la pasador habitual. Gracias a esto, el perno puede abrirse y cerrarse muchas veces como conector, mientras que la pasador suele utilizarse como conector de un solo uso. Básicamente, se puede escoger aquí entre los siguientes elementos de seguridad:

Además, para que sea más sencillo manipularlos durante su montaje o su desmontaje, le ofrecemos las herramientas de montaje adecuadas para la mayoría de elementos de seguridad.

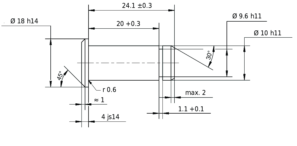
El perno con ranura como mercancía almacenada

Antes de configurarse su propio perno, debería echarle un vistazo a nuestro pernos apropiado para cabezas de horquilla estandarizado. Mientras que, en la mayoría de los casos, los pernos del configurador se fabrican siguiendo las especificaciones del cliente y en pequeñas y medianas cantidades, este, como conector estándar, se fabrica en grandes series. Gracias a ello, usted, como cliente, disfruta de condiciones especialmente favorables y de una rápida entrega, ya que, a menudo, se sirven directamente del almacén.

El configurador para sus pernos personalizados con ranura

Tan variadas son las condiciones de montaje como posibilidades de personalización tienen también los pernos que en ellas se vayan a emplear. En este quehacer, nuestro configurador se lo pone tan fácil como sea posible para ahorrarle los innecesarios inconvenientes de la clásica elaboración de presupuestos y pedidos. Para ello, el modo de proceder es el siguiente:

  1. Forma: Escoja la forma de perno deseada basándose en la certificación ISO 2340 o ISO 2341.
  2. Diámetro: Establezca el diámetro de eje necesario.
  3. Material: Defina el material básico. Para ello, tiene a su disposición acero o acero inoxidable en diferentes calidades.
  4. Superficie: Independientemente de la elección que haya hecho en el apartado 3., puede darle al componente una protección adicional contra la corrosión.
  5. Tipo de seguridad: Seleccione el elemento de seguridad que desee. De este modo, el configurador calcula por sí solo las medidas y distancias mínimas requeridas.
  6. Longitud en mm: Solo aparece en los tipos de elementos de seguridad "KL", "DIN 6799" y "DIN 471".
  7. Longitud de apriete en mm: Junto con la del apartado 6., la medida funcional esencial. En principio, basta con definir únicamente la longitud de apriete o la longitud. La otra medida resulta de las dimensiones consignadas del tipo de elemento de seguridad. De todos modos, también puede adaptar, por descontado, ambas dimensiones a sus expectativas.
  8. El elemento de seguridad correspondiente: Al seleccionar la opción "Elemento de seguridad" en "Accesorios", el elemento de seguridad correspondiente se añade automáticamente en el número de unidades necesario al perno propiamente dicho en el carro de la compra. El único requisito para ello es que este también esté disponible en la tienda virtual en ese preciso momento

Y, por supuesto, también le ofrecemos para esta herramienta las probadas ventajas de trabajar en línea en comparación con el proceso de pedido convencional:

  • Tamaño del lote 1
  • Información inmediata sobre disponibilidad y plazo de entrega
  • Ventajas de precio específicas del producto
  • Sin recargo por cantidad mínima

La facilidad de uso, un manejo intuitivo y la integración de 50 años de experiencia en el sector de la técnicas de acoplamiento fueron nuestras máximas durante el proceso de desarrollo del configurador para hacer su vida algo más sencilla.
No obstante, ¿echa de menos alguna funcionalidad? Entonces, ¡estaremos encantados de que nos la comunique!

[[ title ]]
Precio por unidad
No disponible [[ formatedPrice ]] A demanda
a partir de [[ price.from ]] unidades solo [[ price.price ]]
Opcional
Plazo de suministro
[[ computedDelivery(deliveryData?.deliveryTimeDays) ]]
A demanda
aún [[ stock ]] unidades en almacén


Priorice este componente (máx. 400 unidades) en nuestra fabricación. Acorte el plazo de entrega 1-2 días hábiles. Actualmente estamos probando este servicio exclusivamente para las entregas en Alemania.
Accesorios para [[ title ]]
Artículos similares disponibles
Cesta de la compra
Precio total
No disponible [[ formatedSumprice ]] A demanda

incl. IVA
más gastos de envío

Aviso legal para consumidores

Le rogamos que tenga en cuenta que, en el caso de este producto, siempre se trata de uno fabricado para usted siguiendo sus requisitos particulares y, por este motivo, no le podemos conceder el  derecho de revocación ! Dicho producto se elaborará exactamente según el dibujo creado que, si hace el pedido, también volverá a recibir por correo electrónico.

Configuración
restablecer
Detalles del productoPDF-Download
Configurador de pernos con ranura
Modelo 3DSTEP-Download