Saltar al contenido principal Saltar a la búsqueda Saltar a la navegación principal
Ir a la página inicial

Pasadores cilíndricos con rosca interior DIN EN ISO 8735

templado
477 valoraciones desde el 23.04.2026
Fácil de mantener y sin dejar residuos: los pasadores cilíndricos con rosca interior se pueden extraer posteriormente sin destrucción, perfectos para uniones ajustadas que deban soltarse de nuevo. El montaje sigue siendo preciso, el desmontaje sencillo; los componentes se protegen y los tiempos de parada se reducen.
Descripción

1. Descripción del producto

Los pasadores cilíndricos con rosca interior según DIN EN ISO 8735 son elementos de acoplamiento fabricados con precisión que sirven para la conexión firme y segura de componentes, permitiendo así una posición y fijación exactas. Están compuestos por un cuerpo cilíndrico con una rosca interior y están disponibles en diferentes tamaños y materiales. Gracias a su alta precisión dimensional, son particularmente adecuados para aplicaciones que nunca o muy raramente necesitan ser desmontadas. La rosca interior de los pasadores cilíndricos ofrece un potencial de fijación adicional, al permitir el atornillado de espárragos o tornillos. De esta manera, pueden ser utilizados de manera más segura y versátil en diversas aplicaciones industriales.

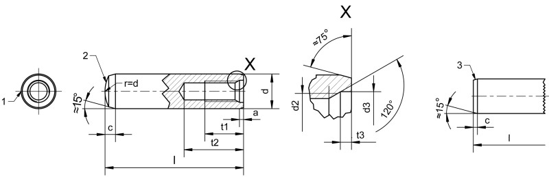
2. Detalles del producto

Tamaño: A 6 x 16 - B 50 x 200

Grupo de materiales: Acero, acero inoxidable

Superficie: brillante, rugosidad de la superficie Ra ≤ 0,8 µm

d Diámetro: 6 - 50

l Longitud: 16 - 200

d2 Rosca: M4 x 0,7 - M24 x 3

t1 Longitud de rosca: 6 - 36

t2 min. Profundidad de rosca: 10 - 50

3. Áreas de aplicación & Compatibilidad

Ingeniería mecánica: Los pasadores cilíndricos con rosca interior se utilizan principalmente para la posicionamiento preciso de las partes de las máquinas. Ayudan a alinear y fijar los componentes de manera exacta y segura.

Fabricación de herramientas: En la fabricación de herramientas, estos pasadores sirven como elementos de fijación confiables para herramientas de corte y herramientas de precisión. Garantizan una manipulación repetible y exacta.

Construcción de plantas: Aquí, los pasadores cilíndricos con rosca interior aseguran la conexión segura y resistente de las partes. Están diseñados para soportar altas cargas mecánicas.

Micromecánica: En la micromecánica, estos pasadores son indispensables en la fabricación y mantenimiento de dispositivos micromecánicos. Su precisión y fiabilidad son de suma importancia.

Compatibilidad:
Gracias a las dimensiones estandarizadas según DIN EN ISO 8735, los pasadores cilíndricos con rosca interior son compatibles con otras piezas estandarizadas y componentes de montaje. Esto facilita el reemplazo y la integración en sistemas existentes, permitiendo una adaptación flexible a distintos conjuntos y proyectos.

4. Ventajas y Beneficios

Precisión: Los pasadores cilíndricos con rosca interior ofrecen una alta precisión dimensional, que es indispensable para la colocación exacta de componentes. Esta precisión garantiza que los componentes estén perfectamente alineados y, por lo tanto, se asegure el correcto funcionamiento del conjunto completo.

Versatilidad: Estos pasadores son adecuados para una amplia gama de aplicaciones industriales. Se pueden utilizar en áreas como la ingeniería mecánica, la fabricación de herramientas, la construcción de plantas y la mecánica de precisión. Esta versatilidad los convierte en un componente imprescindible en numerosos procesos de producción.

Robustez: Fabricados con materiales endurecidos de alta calidad, como acero y acero inoxidable, los pasadores cilíndricos con rosca interior se caracterizan por su alta resistencia y durabilidad. Esta robustez asegura que los pasadores cumplan su función de manera confiable incluso en condiciones exigentes y con uso frecuente.

Función adicional – rosca interior: La rosca interior de los pasadores cilíndricos ofrece opciones de montaje ampliadas. Permite el atornillado de pasadores roscados o tornillos, lo que proporciona opciones adicionales de fijación y una sujeción aún más segura de los componentes. Esta función adicional amplía significativamente las posibilidades de uso de los pasadores y los convierte en una solución flexible para diversos casos de aplicación.

Gracias a estas características y funciones especiales, los pasadores cilíndricos con rosca interior ofrecen numerosas ventajas que los convierten en un elemento importante en la fabricación y ensamblaje industrial.

5. Montaje e Instalación

Paso 1 - Preparación del agujero: Antes de montar el pasador cilíndrico con rosca interior, es crucial que el agujero esté limpio y libre de rebabas. Esto asegura que el pasador se inserte de manera precisa y se garantice una conexión firme. La suciedad y las rebabas en el agujero pueden dificultar el montaje y comprometer la estabilidad de la conexión.

Paso 2 - Prensado o golpeado: La montura real se realiza mediante el prensado o golpeado del pasador cilíndrico en el agujero preparado. Es importante aplicar presión de manera uniforme para evitar daños. Esto asegura una fijación estable y duradera del pasador en la pieza.

Paso 3 - Uso de la rosca interior: Después del montaje, la rosca interior integrada puede utilizarse para una fijación adicional. Se pueden atornillar tornillos o pasadores roscados para estabilizar aún más la conexión y asegurar la fijación. Esta fijación adicional aumenta la fiabilidad y la capacidad de carga de toda la construcción.

Un paso de montaje limpio y cuidadoso asegura que el pasador cilíndrico con rosca interior pueda desplegar toda su funcionalidad y resistencia. El uso de la rosca interior ofrece una posibilidad adicional de estabilización y fijación de las piezas, lo que hace que las aplicaciones sean aún más diversas.

Paso 4 - Control y verificación: Después del montaje, es crucial inspeccionar la instalación para asegurarse de que el encaje y la alineación de las piezas cumplan con las especificaciones. Una inspección minuciosa ayuda a detectar y corregir errores de montaje antes de poner la unidad en funcionamiento.

6. Advertencias de seguridad y Normas

Equipo de protección: Durante el montaje de pasadores cilíndricos con rosca interior, es esencial llevar el equipo de protección adecuado. Unas gafas de protección protegen los ojos de partículas y virutas voladoras, mientras que los guantes protegen las manos de lesiones e irritaciones de la piel. Estas precauciones contribuyen significativamente a la prevención de accidentes laborales.

Herramientas: Utilice únicamente herramientas intactas y adecuadas para el propósito del trabajo. Herramientas defectuosas o inadecuadas pueden llevar a montajes incorrectos y lesiones. Además, las herramientas adecuadas garantizan una instalación segura, precisa y eficiente de los pasadores cilíndricos.

Cumplimiento de normas: En el montaje y uso de pasadores cilíndricos con rosca interior, es esencial cumplir con las normas relevantes. Es especialmente importante cumplir con la DIN EN ISO 8735. Esta norma establece los requisitos para los pasadores cilíndricos que deben cumplirse para su uso seguro y confiable. Además, se deben considerar normas adicionales de ingeniería y seguridad para garantizar los más altos estándares de seguridad y calidad.

Descripción general de diferentes normas: Los pasadores cilíndricos templados se encuentran en la DIN EN ISO 8734, anteriormente DIN 6325. Una variante templada adicional con rosca interior está estandarizada en la DIN EN ISO 8735. Las versiones no templadas están normalizadas según la DIN EN ISO 2338, anteriormente DIN 7.

[[ title ]]
Precio por unidad
No disponible [[ formatedPrice ]] A demanda
a partir de [[ price.from ]] unidades solo [[ price.price ]]
Opcional
Plazo de suministro
[[ computedDelivery(deliveryData?.deliveryTimeDays) ]]
A demanda
aún [[ stock ]] unidades en almacén

Priorice este componente (máx. 400 unidades) en nuestra fabricación. Acorte el plazo de entrega 1-2 días hábiles. Actualmente estamos probando este servicio exclusivamente para las entregas en Alemania.
Accesorios para [[ title ]]
Artículos similares disponibles
Cesta de la compra
Precio total
No disponible [[ formatedSumprice ]] A demanda

incl. IVA
más gastos de envío

Para encontrar el artículo que está buscando, puede seleccionar en el comienzo de la tabla los criterios de filtrado que desee, introducir el texto de búsqueda y combinar ambos.
Para borrar los filtros seleccionados, haga clic en el botón de “Limpiar filtro” que encontrará debajo de la tabla.
Podrá acceder a los detalles del producto, inclusive la función de tienda virtual y la maqueta en 3D , haciendo clic en la línea del artículo que desee.

Preguntas frecuentes (FAQ)

¿Para qué se utilizan los pasadores cilíndricos con rosca interior?
Los pasadores cilíndricos con rosca interior sirven para la conexión asegurada de componentes mediante un ajuste de forma y son especialmente adecuados para aplicaciones que nunca o muy raramente se desmontan. Los componentes se conectan de forma de ajuste positivo en la dirección radial de los pasadores cilíndricos. La rosca interior de los pasadores cilíndricos ofrece un potencial de fijación adicional, permitiendo atornillar pasadores roscados o tornillos.
Los pasadores cilíndricos se subdividen en versiones templadas y no templadas. Las versiones templadas están estandarizadas en la DIN EN ISO 8734, anteriormente DIN 6325, así como en la DIN EN ISO 8735 de pasadores cilíndricos con rosca interior. Los pasadores cilíndricos no templados se encuentran en la DIN EN ISO 2338, anteriormente DIN 7.
Pasadores cilíndricos con rosca interior según DIN EN ISO 8735 son elementos de acoplamiento cilíndricos, fabricados con precisión, y se utilizan para la posición exacta y la conexión de componentes mediante unión por fricción, mientras que la rosca interior ofrece opciones de fijación adicionales.
Los pasadores están disponibles en varios tamaños, desde A 6 x 16 hasta B 50 x 200. El diámetro varía de 6 a 50 mm y la longitud de 16 a 200 mm.
Por supuesto, además de las versiones estándar, también se pueden realizar soluciones especiales según las especificaciones del cliente.
Las piezas se suministran en acero no templado, acero templado, acero inoxidable austenítico o acero inoxidable martensítico con una rugosidad de la superficie Ra ≤ 0,8 µm.
La rosca interior permite opciones adicionales de fijación mediante el atornillado de pernos roscados o tornillos, lo que hace la conexión aún más segura y flexible.
Estos pasadores se utilizan en numerosos sectores industriales como la ingeniería mecánica, la construcción de herramientas, la construcción de plantas y la mecánica de precisión.
Es importante aquí cumplir con la DIN EN ISO 8735, así como con las normas adicionales de ingeniería mecánica y seguridad.
El montaje se realiza presionando o golpeando los pasadores en un orificio limpio y sin rebabas. Para una sujeción adicional, se puede utilizar la rosca interior.
Gracias a su precisión, versatilidad, robustez y a la función adicional de la rosca interior, estos pasadores ofrecen una solución flexible y segura para numerosas aplicaciones industriales.
Las tolerancias están de acuerdo con la DIN EN ISO 8735. Típicamente, en el rango de m6, dependiendo del diámetro y la longitud del pasador. Otras tolerancias son posibles previa acuerdo.