Avvitare direttamente, regolare rapidamente: forcelle con filettatura esterna risparmiano spazio e tempo di montaggio, ideali per aste regolabili e posizioni di fine corsa. La soluzione filettata consente una compensazione precisa della lunghezza senza componenti aggiuntivi – compatta, pulita, efficiente.
Descrizione
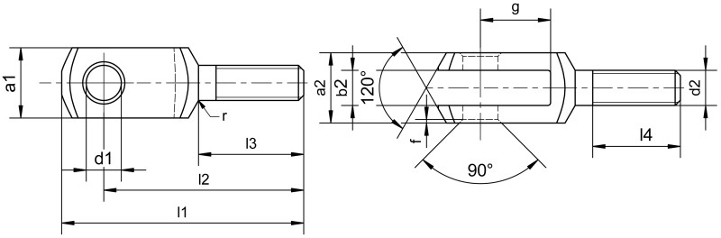
Forcella con filettatura esterna
Queste forcelle, simili a DIN 71752 / DIN ISO 8140, presentano una filettatura esterna sul codolo.
Possono essere utilizzate per il fissaggio ovunque sia disponibile solo una filettatura interna. Inoltre queste varianti di forcella, oltre al controdado, non necessitano di ulteriori dispositivi di montaggio, come barre filettate o incollaggio e possono quindi essere utilizzate in modo rapido e flessibile.
Le forcelle con filettatura esterna sono disponibili in acciaio e in acciaio inossidabile.
Selezionare dapprima cliente privato o aziendale!
Purtroppo è stato necessario adeguare il prezzo di questo articolo a causa dell'aumento dei costi di approvvigionamento. Tuttavia, saremo lieti di collaborare per trovare una soluzione per attenuare l’impatto dell'aumento. È sufficiente contattare il proprio referente:
La quantità attualmente consentita per lo Shop è stata superata. Siamo comunque lieti della vostra richiesta!
Purtroppo la quantità minima dovuta al rivestimento è di [[minsurface]] pezzi. In alternativa è possibile ricevere la merce senza rivestimento (lucido, leggermente oliato) o in acciaio inossidabile (1.4305, 1.4301 o 1.4404) a partire dalla quantità di un pezzo:
Il prodotto è stato aggiunto al tuo carrello
[[ title ]]
Prezzo unitario
Non disponibile
[[ formatedPrice ]]
Su richiesta
a partire da [[ price.from ]] pezzi solo [[ price.price ]]
Opzionale
Tempo di consegna
[[ computedDelivery(deliveryData?.deliveryTimeDays) ]]
Su richiesta
ancora [[ stock ]] pezzi in magazzino
Assegni la priorità a questo componente (max. 400 pezzi) nella nostra produzione. Abbrevi i tempi di consegna di 1-2 giorni lavorativi. Al momento stiamo testando questo servizio esclusivamente per consegne in Germania.
Accessori per [[ title ]]
Prezzo unitario [[ formatTaxPrice(aprice[article.number]) ]]Su richiesta
|
Selezionare per richiesta dati
Su richiesta
[[ computedDelivery(adeliveryData[article.number]?.deliveryTimeDays) ]]
Carrello degli acquisti
Prezzo totale
Non disponibile
[[ formatedSumprice ]]
Su richiesta
incl. IVA
più costi di spedizione
Per trovare l’articolo desiderato, selezionare la quantità richiesta tra i filtri di ricerca nell'intestazione della tabella, inserire il testo di ricerca e associarli.
Per annullare il filtro di ricerca, cliccare sul pulsante di "Cancella" che si trova sotto la tabella.
I dettagli del prodotto, compresa funzione eShop e modello 3D , sono richiamabili cliccando nella riga dell’articolo desiderato.
Per annullare il filtro di ricerca, cliccare sul pulsante di "Cancella" che si trova sotto la tabella.
I dettagli del prodotto, compresa funzione eShop e modello 3D , sono richiamabili cliccando nella riga dell’articolo desiderato.