Zur Startseite gehen

Bolzen-Konfigurator nach Zeichnung

3 Bewertungen seit 08.12.2025
Beschreibung

Bolzen werden millionenfach in unterschiedlichsten Ausführungen für vielfältige Anwendungen eingesetzt. Einen Teilbereich davon decken verschieden Normen ab.

Das reicht jedoch bei weitem nicht aus um alle verwendeten Abmessungen abzubilden. Um Bolzen vollkommen frei nach den individuellen Bedürfnissen zu konfigurieren haben wir diesen universell einsetzbaren Konfigurator „Bolzen nach Zeichnung“ erstellt.

Der Konfigurator für Ihren individuellen Bolzen

Ohne Einschränkungen irgendwelcher Normen bietet dieser Konfigurator Ihnen eine einfache und schnelle Möglichkeit Bolzen individuell zu konfigurieren und zu bestellen.

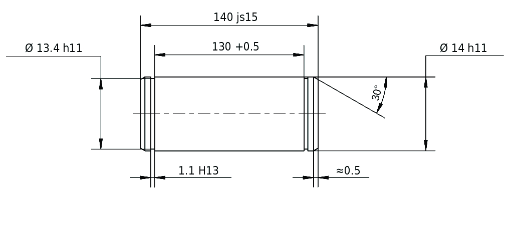
Um die Konfiguration wunschgemäß durchzuführen stehen Ihnen die Merkmale Material, Oberfläche, Durchmesser, Länge, Kopf, Bohrung, Einstich und Sicherungstyp zur Verfügung. Befüllen Sie diese Merkmale ganz nach Ihrem persönlichen Geschmack und im Handumdrehen wird das gewünschte Bauteil samt Preis, Lieferzeit, Skizze und 3D-Modell ausgespuckt.

Sie vermissen dennoch Funktionalitäten? Dann freuen wir uns auf Ihr Feedback!

[[ title ]]
Preis pro Stück
Nicht verfügbar [[ formatedPrice ]] Auf Anfrage
ab [[ price.from ]] Stück nur [[ price.price ]]
Optional
Lieferzeit
[[ computedDelivery(deliveryData?.deliveryTimeDays) ]]
Auf Anfrage
noch [[ stock ]] Stück am Lager


Priorisieren Sie dieses Bauteil (max. 400 Stück) in unserer Fertigung. Verkürzen Sie die Lieferzeit um 1-2 Werktage. Diesen Service testen wir aktuell exklusiv für das Lieferland Deutschland.
Zubehör für [[ title ]]
Ähnliche Artikel lieferbar
Warenkorb
Gesamtpreis
Nicht verfügbar [[ formatedSumprice ]] Auf Anfrage

inkl. MwSt.
zzgl. Versandkosten

Rechtlicher Hinweis für Verbraucher

Bitte beachten Sie, dass es sich bei diesem Produkt immer um ein individuell für Sie gefertigtes Produkt handelt und das Widerrufsrecht aus diesem Grunde von uns nicht gewährt werden kann! Das Produkt wird exakt nach der ausgegebenen Zeichnung hergestellt, welche Sie im Bestellfall auch nochmals per Mail erhalten.

[[ error ]]
Konfiguration
Schaft | Durchmesser [[ rules?.diameter?.min ]] - [[ rules?.diameter?.max ]] [[ rules?.diameter?.unit ]]
Länge [[ rules?.length?.min?.toFixed(1) ]] - [[ rules?.length?.max?.toFixed(1) ]] [[ rules?.length?.unit ]]
Kopf | Durchmesser [[ rules?.headdiameter?.min ]] - [[ rules?.headdiameter?.max ]] [[ rules?.headdiameter?.unit ]]
Stärke [[ rules?.headlength?.min?.toFixed(1) ]] - [[ rules?.headlength?.max?.toFixed(1) ]] [[ rules?.headlength?.unit ]]
Einstich | SicherungstypDurchmesser
Klemmlänge [[ (forceClength?rules?.clength?.max?.toFixed(1):(typeof rules?.clength?.min!=='undefined'?rules?.clength?.min?.toFixed(1):'') +" - "+ (typeof rules?.clength?.max!=='undefined'?rules?.clength?.max?.toFixed(1):'')) ]] [[ rules?.clength?.unit ]]
zurücksetzen
ProduktdetailsPDF-Download
Bolzen-Konfigurator nach Zeichnung
3D-ModellSTEP-Download