Zum Hauptinhalt springen Zur Suche springen Zur Hauptnavigation springen
Zur Startseite gehen

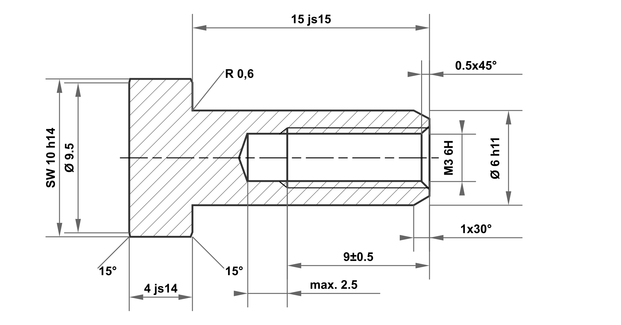
Hülsenmuttern-Konfigurator nach Zeichnung

2 Bewertungen seit 18.02.2025
Beschreibung

Hülsenmuttern-Konfigurator nach Zeichnung – individuelle Verbindungslösungen einfach online gestalten

Hülsenmuttern werden überall dort eingesetzt, wo Standardverbindungselemente an ihre Grenzen stoßen und präzise Abstände, Sondergeometrien oder spezielle Materialeigenschaften gefordert sind. Mit dem Hülsenmuttern-Konfigurator von mbo Oßwald konfigurieren Sie Hülsenmuttern exakt nach Ihren Anforderungen – millimetergenau, flexibel und unkompliziert, direkt online. Langwierige Abstimmungen und Rückfragen entfallen: Mit wenigen Klicks gelangen Sie zu Ihrer individuellen Lösung.

Der Konfigurator überzeugt durch eine intuitive Benutzerführung und übersichtliche Struktur:

Wählen Sie bequem Geometrie, Abmessungen, Gewinde- und Kopfvarianten, Werkstoffe und Oberflächenbeschichtungen aus. Bereits während Sie Ihre Parameter eingeben, prüft das Tool live die Herstellbarkeit Ihrer Auswahl, informiert transparent über Preis und Lieferzeiten und bietet sofortige online Bestellmöglichkeit.

Besonders komfortabel: Ihr Bauteil wird parallel als technische Zeichnung und als interaktives 3D-Modell visualisiert. So behalten Sie Ihre Hülsenmutter jederzeit im Blick, können Details direkt überprüfen und optimal an Ihre Anforderungen anpassen - noch bevor Sie Ihre Anfrage abschicken. Das spart Zeit, reduziert Fehler und ermöglicht auch bei kleinen Losgrößen realisierbare Sonderlösungen ohne technische Einschränkungen.

Profitieren Sie von der langjährigen Fertigungserfahrung und Qualitätssicherheit von mbo Oßwald:

Ihr Auftrag wird priorisiert gefertigt - ab Stückzahl eins, aber auch für größere Serien und Abrufaufträge. Unser Expertenteam steht Ihnen bei Rückfragen oder besonders komplexen Anforderungen gerne persönlich zur Verfügung - damit Sie maximal passgenaue, individuelle Lösungen für Ihre Verbindungstechnik erhalten.

[[ title ]]
Preis pro Stück
Nicht verfügbar [[ formatedPrice ]] Auf Anfrage
ab [[ price.from ]] Stück nur [[ price.price ]]
Optional
Lieferzeit
[[ computedDelivery(deliveryData?.deliveryTimeDays) ]]
Auf Anfrage
noch [[ stock ]] Stück am Lager

Priorisieren Sie dieses Bauteil (max. 400 Stück) in unserer Fertigung. Verkürzen Sie die Lieferzeit um 1-2 Werktage. Diesen Service testen wir aktuell exklusiv für das Lieferland Deutschland.
Zubehör für [[ title ]]
Ähnliche Artikel lieferbar
Warenkorb
Gesamtpreis
Nicht verfügbar [[ formatedSumprice ]] Auf Anfrage

inkl. MwSt.
zzgl. Versandkosten

Rechtlicher Hinweis für Verbraucher

Bitte beachten Sie, dass es sich bei diesem Produkt immer um ein individuell für Sie gefertigtes Produkt handelt und das Widerrufsrecht aus diesem Grunde von uns nicht gewährt werden kann! Das Produkt wird exakt nach der ausgegebenen Zeichnung hergestellt, welche Sie im Bestellfall auch nochmals per Mail erhalten.

[[ error ]]
Konfiguration
Schaft Ø
| Außen [[ limits?.diameter?.min ]] - [[ limits?.diameter?.max ]] [[ limits?.diameter?.unit ]]
Innen [[ limits?.diameter2?.min ]] - [[ limits?.diameter2?.max ]] [[ limits?.diameter2?.unit ]]
Schaftlänge
| Außen [[ rules?.length?.min?.toFixed(1) ]] - [[ rules?.length?.max?.toFixed(1) ]] [[ rules?.length?.unit ]]
Innen [[ rules?.length2?.min?.toFixed(1) ]] - [[ rules?.length2?.max?.toFixed(1) ]] [[ rules?.length2?.unit ]]
Kopf | Durchmesser [[ limits?.headdiameter?.min ]] - [[ limits?.headdiameter?.max ]] [[ limits?.headdiameter?.unit ]]
Stärke [[ limits?.headlength?.min ]] - [[ limits?.headlength?.max ]] [[ limits?.headlength?.unit ]]
Antrieb | Typ
Größe [[ limits?.screwdrivetypesizes?.minCaption ]] - [[ limits?.screwdrivetypesizes?.maxCaption ]] [[ rules?.screwdrivetypesizes?.unit ]]
zurücksetzen
ProduktdetailsPDF-Download
Hülsenmuttern-Konfigurator nach Zeichnung
3D-ModellSTEP-Download