Zum Hauptinhalt springen Zur Suche springen Zur Hauptnavigation springen
Zur Startseite gehen

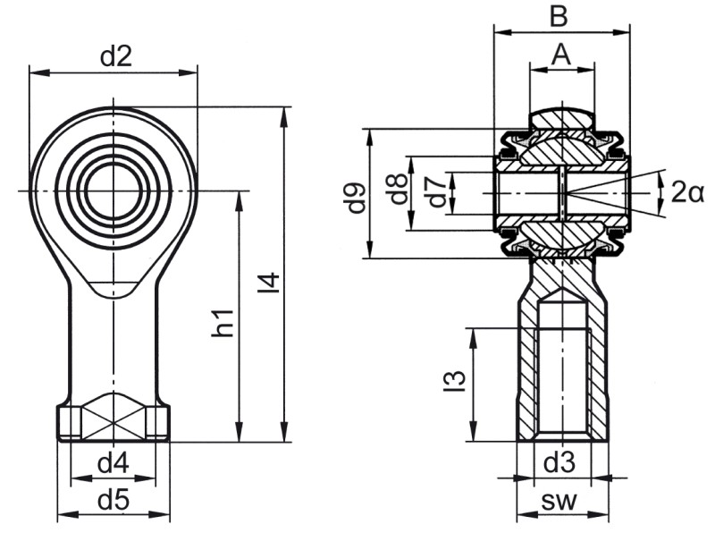
Gelenkköpfe DIN ISO 12240-4 (DIN 648) Maßreihe K wartungsfreie Ausführung mit Abdichtung Innengewinde

geeignet für dynamische Belastungen
11 Bewertungen seit 21.06.2021
Kompakte Baugruppen profitieren von der Kombination aus Innengewinde und Abdichtung. Partikel und Feuchte werden zuverlässig ferngehalten, die schlanke Kontur erleichtert das Kapseln. Die wartungsfreie Gleitpaarung reduziert Stillstände und sorgt für berechenbare, ruhige Bewegung – ideal für Verpackungs-/Abfülltechnik und Anlagenbau mit Reinigungs- oder Spritzwasserbelastung.
Beschreibung

Gelenkkopf Maßreihe K wartungsfreie Ausführung mit Abdichtung Innengewinde


Statische Tragzahl C0 (kN)

Die statische Tragzahl C0 (siehe Produktdetails) bezeichnet im Normalanwendungsfall den Wert, mit dem ein Gelenkkopf im schwächsten Querschnitt bei ruhender Last beansprucht werden kann, ohne sich dabei bleibend zu verformen. Es handelt sich hier um den Wert der zulässigen radialen Lagerbelastung im Stillstand. Die angegebenen Tragzahlen sind anhand der jeweiligen Werkstoff kennwerte errechnet und durch Zugversuche bei Raumtemperatur geprüft. Die Streckgrenze wurde zu 80 % ausgenutzt. Der Sicherheitsfaktor bis Fließbeginn beträgt somit 1,25.

Durch die statische Tragzahl wird auch die zulässige Axialbelastung errechnet:

Fa = Fa zul. = p • C0 (kN)

p = < / ~ 0,2 für Gelenkköpfe Maßreihe K wartungsfreie Ausführung mit Abdichtung

Dynamische Tragzahlen für Gelenkköpfe auf Anfrage.

[[ title ]]
Preis pro Stück
Nicht verfügbar [[ formatedPrice ]] Auf Anfrage
ab [[ price.from ]] Stück nur [[ price.price ]]
Optional
Lieferzeit
[[ computedDelivery(deliveryData?.deliveryTimeDays) ]]
Auf Anfrage
noch [[ stock ]] Stück am Lager

Priorisieren Sie dieses Bauteil (max. 400 Stück) in unserer Fertigung. Verkürzen Sie die Lieferzeit um 1-2 Werktage. Diesen Service testen wir aktuell exklusiv für das Lieferland Deutschland.
Zubehör für [[ title ]]
Ähnliche Artikel lieferbar
Warenkorb
Gesamtpreis
Nicht verfügbar [[ formatedSumprice ]] Auf Anfrage

inkl. MwSt.
zzgl. Versandkosten

Um den gewünschten Artikel zu finden, können Sie im Tabellenkopf eine beliebige Anzahl an Filterkriterien auswählen, Suchtexte eingeben und diese kombinieren.
Um die Filterauswahl aufzuheben klicken Sie auf den „Zurücksetzen“-Button unterhalb der Tabelle.
Produktdetails, inklusive eShop Funktion und 3D-Modell , rufen Sie durch klicken in die Zeile des gewünschten Artikels auf.