Go to homepage

Bolts configurator according to drawing

3 reviews since 08.12.2025
Description

Bolts of every shape and size are used in their millions for all kinds of different applications. Some of them satisfy a number of different standards.

However, that is far from being enough to cover all the dimensions used in practice. To permit the completely free configuration of bolts to meet individual needs, we have created our configurator for “Bolts according to drawing”, which can be used irrespective of your specific bolt requirements.

The configurator for your custom bolts

This configurator provides you with a fast and simple way to configure and order your custom bolts without being tied to the constraints of any specific standard.

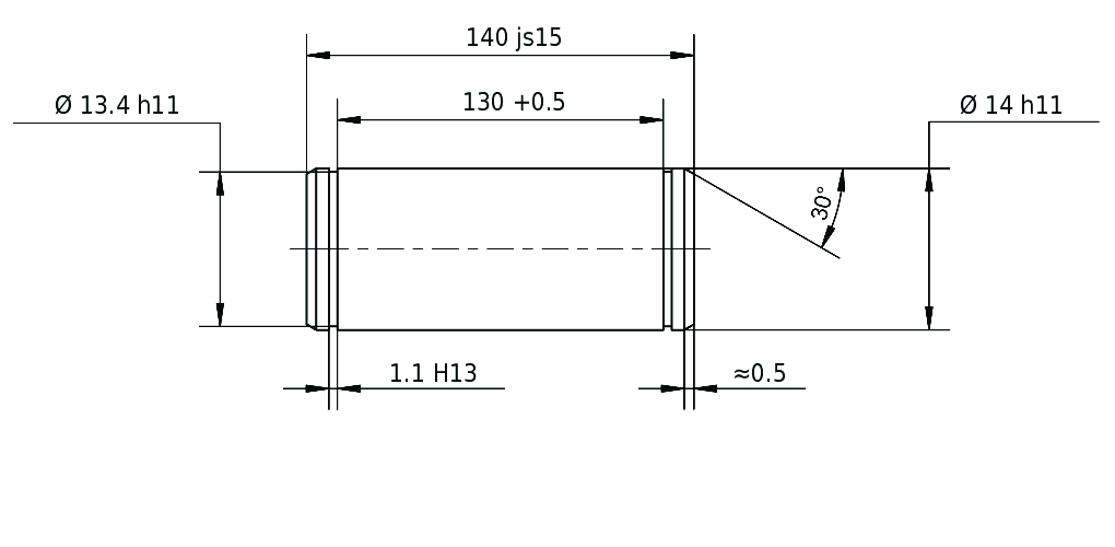
To configure the product that best meets your needs, you can specify the material, surface, diameter, length, head, drilling, groove and retainer type. Specify these properties to meet your precise wishes and the required product will be displayed in a flash, together with the price, delivery time, sketch and 3D model.

Is there any other functionality you would like to see? Then we look forward to receiving your feedback!

[[ title ]]
Price per piece
Unavailable [[ formatedPrice ]] On request
from [[ price.from ]] pieces only [[ price.price ]]
Optional
Delivery time
[[ computedDelivery(deliveryData?.deliveryTimeDays) ]]
On request
still [[ stock ]] pieces in stock


Fast-track this part (max. 400 units) through our production facility. Shorten the delivery time by 1-2 working days. We are currently exclusively testing this delivery service for Germany.
Accessories for [[ title ]]
Similar articles can be delivered
Shopping cart
Total price
Unavailable [[ formatedSumprice ]] On request

incl. VAT
plus shipping costs

Legal notice for consumers

Please note that this product is always an individually-manufactured product for you and for this reason we cannot grant you the  right of revocation ! The product will be manufactured exactly according to the issued drawing, which you will receive again by e-mail when you place an order.

[[ error ]]
Configuration
Shaft | Diameter [[ rules?.diameter?.min ]] - [[ rules?.diameter?.max ]] [[ rules?.diameter?.unit ]]
Length [[ rules?.length?.min?.toFixed(1) ]] - [[ rules?.length?.max?.toFixed(1) ]] [[ rules?.length?.unit ]]
Head | Diameter [[ rules?.headdiameter?.min ]] - [[ rules?.headdiameter?.max ]] [[ rules?.headdiameter?.unit ]]
Length [[ rules?.headlength?.min?.toFixed(1) ]] - [[ rules?.headlength?.max?.toFixed(1) ]] [[ rules?.headlength?.unit ]]
Groove | Retainer versionDiameter
Grip length [[ (forceClength?rules?.clength?.max?.toFixed(1):(typeof rules?.clength?.min!=='undefined'?rules?.clength?.min?.toFixed(1):'') +" - "+ (typeof rules?.clength?.max!=='undefined'?rules?.clength?.max?.toFixed(1):'')) ]] [[ rules?.clength?.unit ]]
reset
Product detailsPDF-Download
Bolts configurator according to drawing
3D modelSTEP-Download