Go to homepage

Bolts configurator with groove

1 review since 26.08.2021
Description

Use and advantages of bolts with groove

This type of bolt has an all-round groove which is used to hold a retaining ring that holds the bolt in place. Unlike DIN bolts with a pin hole, this type of retention mechanism has the advantage of being reusable. Due to the hardening process used during manufacture, the retaining rings have considerably more pre-tensioning and load-bearing capacity than conventional cotter pins. This means that bolts used as plug connections can be opened and closed very frequently, whereas cotter pins are generally used as one-off connectors. In general, it is possible to choose between the following retainers:

To simplify handling during installation and/or removal, we also supply suitable assembly tools for most of our retainers.

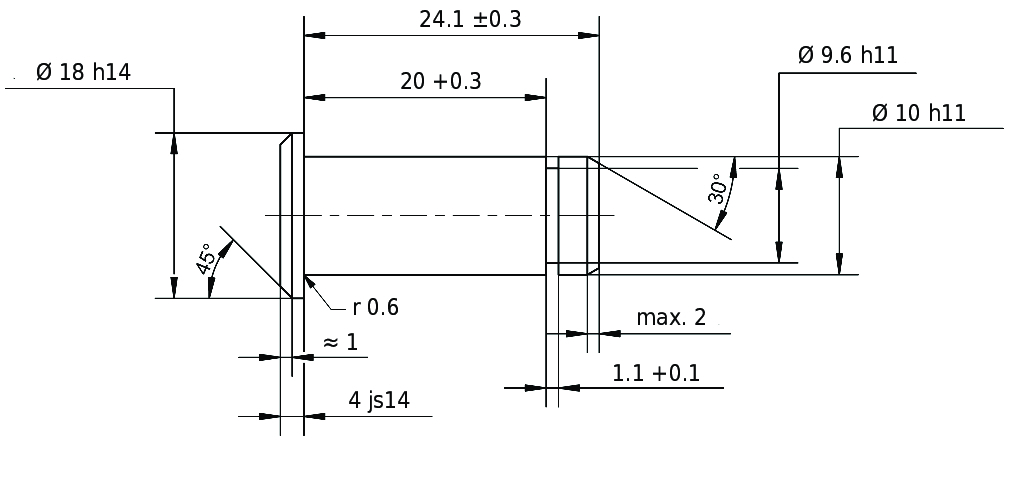
Bolts with groove held in stock

Before you configure your own bolt, you should take a look at our standardised bolts suitable for clevises. While bolts designed using the configurator are usually manufactured in small or medium runs on the basis of customer requirements, these products are manufactured in large series as standard connectors. This means that you, the customer, benefit from particularly advantageous conditions and often enjoy speedy delivery direct from our warehouse.

The configurator for your custom bolt with groove

The employed bolts are every bit as individual as the many different situations in which they are installed. Our configurator is intended to make the task of designing bolts as simple as possible for you and save you the unnecessary wasted effort that occurs during the conventional offer and order process. The procedure is as follows:

  1. Form: Choose the required bolt form based on ISO 2340 and/or ISO 2341.
  2. Diameter: Specify the required shaft diameter.
  3. Material: Specify the basic material. You can choose between various grades of steel and stainless steel.
  4. Surface: Depending on what you choose in step 3, you can also equip your part with additional corrosion protection.
  5. Retainer version: Select the required retaining element. The configurator then automatically calculates the required minimum dimensions and distances.
  6. Length in mm: Only displayed for the retainer types "KL", "DIN 6799" and "DIN 471".
  7. Grip length in mm: In combination with 6, this is the most important functional dimension. It is generally sufficient to specify either only the grip length or only the length on its own. The other value is then determined on the basis of the stored dimensional specifications for the retainer version. Of course, you can also adapt both dimensions to create your perfect product.
  8. The right retainer: If you check the"Retainer" option under"Accessories", the matching retainer for your bolt is automatically placed in your shopping cart in the quantity required. The required element must be currently present in the shop for this to be possible.

And of course, users of this tool also benefit from the proven online advantages compared to the conventional order process:

  • Batch size 1
  • Immediate information about availability and delivery times
  • Product-specific price advantages
  • No surcharge for small quantities

Usability, intuitive operation and the integration of 50 years of experience in the field of linking technology were our guiding lights during the development of the configurator, which has been designed to make your life a little easier.
Is there any other functionality you would like to see? Then we look forward to receiving your feedback!

[[ title ]]
Price per piece
Unavailable [[ formatedPrice ]] On request
from [[ price.from ]] pieces only [[ price.price ]]
Optional
Delivery time
[[ computedDelivery(deliveryData?.deliveryTimeDays) ]]
On request
still [[ stock ]] pieces in stock


Fast-track this part (max. 400 units) through our production facility. Shorten the delivery time by 1-2 working days. We are currently exclusively testing this delivery service for Germany.
Accessories for [[ title ]]
Similar articles can be delivered
Shopping cart
Total price
Unavailable [[ formatedSumprice ]] On request

incl. VAT
plus shipping costs

Legal notice for consumers

Please note that this product is always an individually-manufactured product for you and for this reason we cannot grant you the  right of revocation ! The product will be manufactured exactly according to the issued drawing, which you will receive again by e-mail when you place an order.

Configuration
reset
Product detailsPDF-Download
Bolts configurator with groove
3D modelSTEP-Download