Description
Bolts with head DIN EN 22341 / ISO 2341 form A
Although bolts according to DIN EN 22341 / ISO 2341 form A are, in principle, standardised bolts, the situations in which they are fitted are often very individual and specific and it is rare for one bolt to be identical to another. That is why our bolts are usually tailor-made for you.
To help you find exactly the bolt you need faster and more conveniently in the future, we are providing you with this configurator. In addition to the time you save, you will not only also benefit from lower prices than when making a conventional mail inquiry. Your bolts will also be prioritised and speeded through our manufacturing process!
![]() |
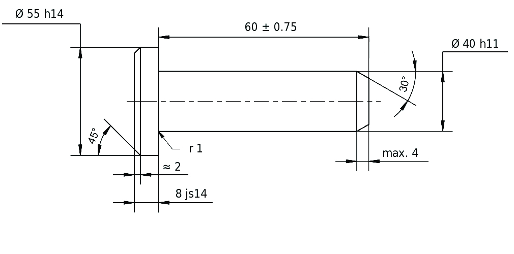
| d h11 | 4 | 5 | 6 | 8 | 10 | 12 | 14 | 16 | 18 | 20 | 22 | 24 | 27 | 30 | 33 | 36 | 40 | 45 | ||
| dk h14 | 6 | 8 | 10 | 14 | 18 | 20 | 22 | 25 | 28 | 30 | 33 | 36 | 40 | 44 | 47 | 50 | 55 | 60 | ||
| c max. | 1 | 2 | 2 | 2 | 2 | 3 | 3 | 3 | 3 | 4 | 4 | 4 | 4 | 4 | 4 | 4 | 4 | 4 | ||
| e ≈ | 0,5 | 1 | 1 | 1 | 1 | 1,6 | 1,6 | 1,6 | 1,6 | 2 | 2 | 2 | 2 | 2 | 2 | 2 | 2 | 2 | ||
| k js14 | 1 | 1,6 | 2 | 3 | 4 | 4 | 4 | 4,5 | 5 | 5 | 5,5 | 6 | 6 | 8 | 8 | 8 | 8 | 9 | ||
| r | 0,6 | 0,6 | 0,6 | 0,6 | 0,6 | 0,6 | 0,6 | 0,6 | 1 | 1 | 1 | 1 | 1 | 1 | 1 | 1 | 1 | 1 | ||
| l | x = range of standard lengths | |||||||||||||||||||
| min. | max. | |||||||||||||||||||
| 8 | 7,75 | 8,25 | x | |||||||||||||||||
| 10 | 9,75 | 10,25 | x | x | ||||||||||||||||
| 12 | 11,5 | 112,5 | x | x | x | |||||||||||||||
| 14 | 13,5 | 14,5 | x | x | x | |||||||||||||||
| 16 | 15,5 | 16,5 | x | x | x | x | ||||||||||||||
| 18 | 17,5 | 18,5 | x | x | x | x | ||||||||||||||
| 20 | 19,5 | 20,5 | x | x | x | x | x | |||||||||||||
| 22 | 21,5 | 22,5 | x | x | x | x | x | |||||||||||||
| 24 | 23,5 | 24,5 | x | x | x | x | x | x | ||||||||||||
| 26 | 25,5 | 26,5 | x | x | x | x | x | x | ||||||||||||
| 28 | 27,5 | 28,5 | x | x | x | x | x | x | x | |||||||||||
| 30 | 29,5 | 30,5 | x | x | x | x | x | x | x | |||||||||||
| 32 | 31,5 | 32,5 | x | x | x | x | x | x | x | x | ||||||||||
| 35 | 34,5 | 35,5 | x | x | x | x | x | x | x | x | x | |||||||||
| 40 | 39,5 | 40,5 | x | x | x | x | x | x | x | x | x | x | ||||||||
| 45 | 44,5 | 45,5 | x | x | x | x | x | x | x | x | x | x | ||||||||
| 50 | 49,5 | 50,5 | x | x | x | x | x | x | x | x | x | x | x | |||||||
| 55 | 54,25 | 55,75 | x | x | x | x | x | x | x | x | x | x | x | |||||||
| 60 | 59,25 | 60,75 | x | x | x | x | x | x | x | x | x | x | x | x | ||||||
| 65 | 64,28 | 65,75 | x | x | x | x | x | x | x | x | x | x | x | x | ||||||
| 70 | 69,25 | 70,75 | x | x | x | x | x | x | x | x | x | x | x | x | x | |||||
| 75 | 74,25 | 75,75 | x | x | x | x | x | x | x | x | x | x | x | x | x | |||||
| 80 | 79,25 | 80,75 | x | x | x | x | x | x | x | x | x | x | x | x | x | x | ||||
| 85 | 84,25 | 85,75 | x | x | x | x | x | x | x | x | x | x | x | x | x | |||||
| 90 | 89,25 | 90,75 | x | x | x | x | x | x | x | x | x | x | x | x | x | x | ||||
| 95 | 94,25 | 95,78 | x | x | x | x | x | x | x | x | x | x | x | x | x | x | ||||
| 100 | 99,25 | 100,75 | x | x | x | x | x | x | x | x | x | x | x | x | x | x | ||||
| 120 | 119,25 | 120,75 | x | x | x | x | x | x | x | x | x | x | x | x | x | |||||
| 140 | 139,25 | 140,75 | x | x | x | x | x | x | x | x | x | x | x | x | ||||||
| 160 | 159,25 | 160,75 | x | x | x | x | x | x | x | x | x | x | x | |||||||
| 180 | 179,25 | 180,75 | x | x | x | x | x | x | x | x | x | x | ||||||||
| 200 | 199,25 | 200,75 | x | x | x | x | x | x | x | x | x | |||||||||
Fast-track this part (max. 400 units) through our production facility. Shorten the delivery time by 1-2 working days. We are currently exclusively testing this delivery service for Germany.
incl. VAT
plus shipping costs
Please note that this product is always an individually-manufactured product for you and for this reason we cannot grant you the right of revocation ! The product will be manufactured exactly according to the issued drawing, which you will receive again by e-mail when you place an order.
