Skip to main content Skip to search Skip to main navigation
Go to homepage

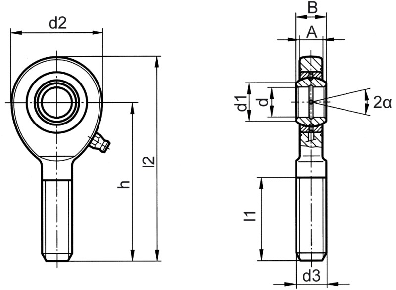
Rod ends DIN ISO 12240-4 (DIN 648) E series steel/steel version male thread

can be regreased, suitable for high alternating loads
49 reviews since 08.05.2026
Maximum durability for demanding applications: the steel/steel sliding pair of the E series delivers high load-bearing capacity, temperature resistance, and shock resistance. Lubrication is provided and enables peak performance within the defined maintenance interval. The male thread makes quick adjustment during operation easier – ideal for heavy-duty linkages, fixture construction, and press building. Where dynamics and reserves matter, this version impresses with precise force transmission and thermal robustness.
Description

Rod end E series steel/steel version male thread


Static basic load rating C0 (kN)

The static basic load rating C0 (see product details) denotes the value with which a rod end can in normal applications with a static load be stressed in the weakest cross-section without being permanently deformed. It represents the permissible radial bearing strain at rest. The basic load ratings quoted have been calculated using the respective material characteristic values and can be verified by tensile experiments at room temperature. The yield point was used to 80%, making the safety factor until yield start 1.25.

The static basic load rating also enables the permissible thrust load to be calculated:

Fa = Fa perm. = p • C0 (kN)

p = < / ~ 0.1 for rod ends E series steel/steel version

Dynamic basic load ratings for rod ends are available on request.

[[ title ]]
Price per piece
Unavailable [[ formatedPrice ]] On request
from [[ price.from ]] pieces only [[ price.price ]]
Optional
Delivery time
[[ computedDelivery(deliveryData?.deliveryTimeDays) ]]
On request
still [[ stock ]] pieces in stock

Fast-track this part (max. 400 units) through our production facility. Shorten the delivery time by 1-2 working days. We are currently exclusively testing this delivery service for Germany.
Accessories for [[ title ]]
Similar articles can be delivered
Shopping cart
Total price
Unavailable [[ formatedSumprice ]] On request

incl. VAT
plus shipping costs

To find the article you want, you can select any number of filter criteria or search texts or combinations of the two at the top of the table.
To cancel your filter settings again, click on the "Clear" button below the table.
You can display product details, including the eShop function and 3D model , by clicking in the row corresponding to the required article.