Retour à la page d'accueil

Configurateur de goujons selon plan

3 évaluations depuis le 08.12.2025
Description

Les goujons sont utilisés des millions de fois dans les versions les plus variées et pour de multiples applications. Différentes normes en couvrent une partie.

Cependant, cela est loin d'être suffisant pour représenter toutes les dimensions utilisées. Afin de pouvoir configurer les goujons en toute liberté en fonction des besoins individuels, nous avons créé le configurateur "Goujons selon plan".

Le configurateur pour votre goujon sur mesure

Sans contraintes imposées par la réglementation, ce configurateur offre un moyen simple et rapide de configurer et de commander des goujons individuels.

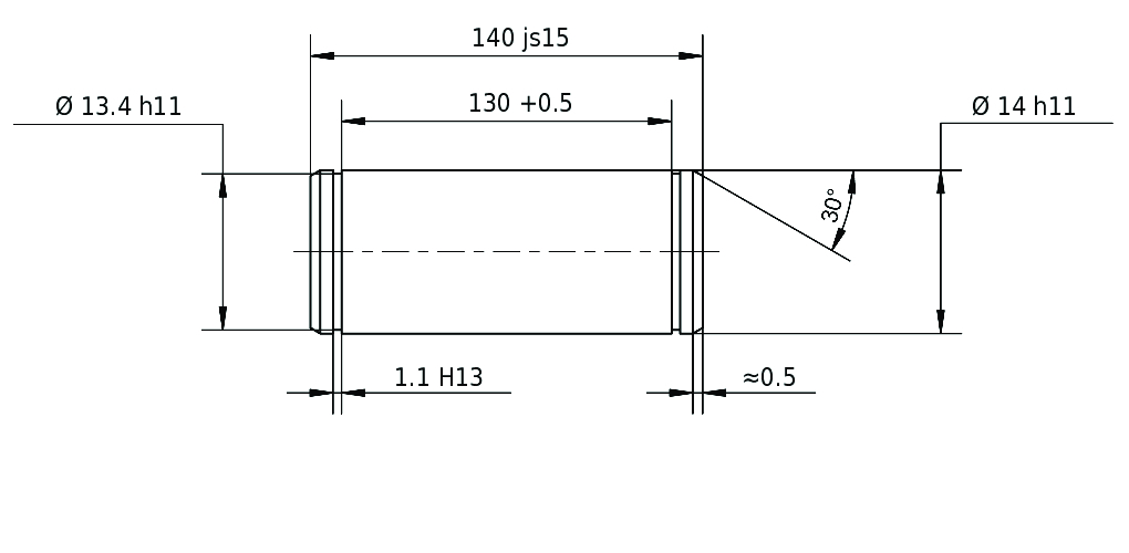
Pour effectuer la configuration souhaitée, vous pouvez choisir les caractéristiques relatives au matériau, à la surface, au diamètre, à la longueur, à la tête, à l'alésage, à la rainure et au type de blocage. Remplissez ces caractéristiques en fonction de vos besoins et, en un clin d'œil, vous obtiendrez le composant souhaité avec des informations sur le prix, le délai de livraison ainsi qu’un croquis et un modèle 3D.

Vous trouvez toujours que certaines fonctionnalités manquent ? Si c'est le cas, vos commentaires sont les bienvenus !

[[ title ]]
Prix unitaire
Pas disponible [[ formatedPrice ]] Sur demande
à partir de [[ price.from ]] unités seulement [[ price.price ]]
En option
Délai de livraison
[[ computedDelivery(deliveryData?.deliveryTimeDays) ]]
Sur demande
encore [[ stock ]] unités en stock


Donnez la priorité à ce composant (max. 400 pièces) dans notre fabrication. Réduisez le délai de livraison de 1 à 2 jours ouvrables. Nous testons actuellement ce service en exclusivité pour le pays de livraison Allemagne.
Accessoires pour [[ title ]]
Articles similaires disponibles
Panier
Prix total
Pas disponible [[ formatedSumprice ]] Sur demande

dont TVA
plus frais de livraison

Mentions légales pour les consommateurs

Veuillez noter que ce produit est toujours un produit fabriqué individuellement. De ce fait, le droit de rétractation ne peut pas être accordé ! Le produit sera fabriqué exactement selon le vos plans, que vous recevrez également par mail si vous passez commande.

[[ error ]]
Configuration
Tige | Diamètre [[ rules?.diameter?.min ]] - [[ rules?.diameter?.max ]] [[ rules?.diameter?.unit ]]
Longueur [[ rules?.length?.min?.toFixed(1) ]] - [[ rules?.length?.max?.toFixed(1) ]] [[ rules?.length?.unit ]]
Tête | Diamètre [[ rules?.headdiameter?.min ]] - [[ rules?.headdiameter?.max ]] [[ rules?.headdiameter?.unit ]]
Longueur [[ rules?.headlength?.min?.toFixed(1) ]] - [[ rules?.headlength?.max?.toFixed(1) ]] [[ rules?.headlength?.unit ]]
Gorge | Version de blocageDiamètre
Longueur de la pince [[ (forceClength?rules?.clength?.max?.toFixed(1):(typeof rules?.clength?.min!=='undefined'?rules?.clength?.min?.toFixed(1):'') +" - "+ (typeof rules?.clength?.max!=='undefined'?rules?.clength?.max?.toFixed(1):'')) ]] [[ rules?.clength?.unit ]]
réinitialiser
Détails du produitPDF-Download
Configurateur de goujons selon plan
Modèle 3DSTEP-Download