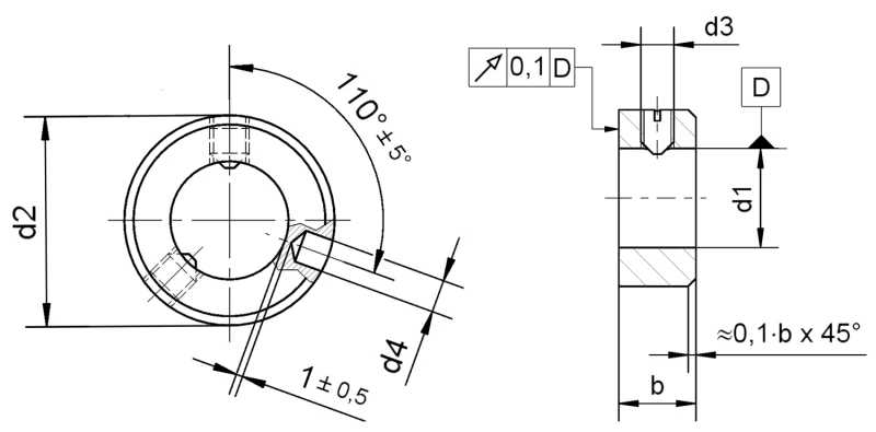
Parfaitement adaptés aux cas particuliers : les bagues d’arrêt DIN 705 forme C sont conçues pour des ajustements et des tolérances spécifiques. Elles permettent un positionnement précis dans des situations de montage particulières – idéal lorsque les bagues standard atteignent les limites de la conception.
Veuillez indiquer d’abord si vous êtes un client privé ou commercial !
Nous avons malheureusement dû adapter le prix de cet article en raison de l'augmentation des coûts d'approvisionnement. Nous nous ferons un plaisir de trouver avec vous une solution pour atténuer cette augmentation. Pour cela, il vous suffit de contacter votre interlocuteur :
La demande excède la quantité maximale autorisée dans la boutique/shop. Cependant, nous répondrons volontiers à votre demande !
Malheureusement, la quantité minimale de commande en raison du revêtement est de [[minsurface]] pièces. Il est également possible de recevoir la marchandise sans revêtement (acier clair, légèrement huilé) ou en acier inoxydable (1.4305, 1.4301 ou 1.4404) à partir d'une pièce :
Le produit a bien été ajouté à votre panier
[[ title ]]
Prix unitaire
Pas disponible
[[ formatedPrice ]]
Sur demande
à partir de [[ price.from ]] unités seulement [[ price.price ]]
En option
Délai de livraison
[[ computedDelivery(deliveryData?.deliveryTimeDays) ]]
Sur demande
encore [[ stock ]] unités en stock
Donnez la priorité à ce composant (max. 400 pièces) dans notre fabrication. Réduisez le délai de livraison de 1 à 2 jours ouvrables. Nous testons actuellement ce service en exclusivité pour le pays de livraison Allemagne.
Accessoires pour [[ title ]]
Prix unitaire [[ formatTaxPrice(aprice[article.number]) ]]Sur demande
|
Sélectioner pour la demande de données
Sur demande
[[ computedDelivery(adeliveryData[article.number]?.deliveryTimeDays) ]]
Panier
Prix total
Pas disponible
[[ formatedSumprice ]]
Sur demande
dont TVA
plus frais de livraison
Pour rechercher l'article souhaité, vous pouvez sélectionner un nombre quelconque de critères de filtrage dans l'en-tête du tableau, saisir des textes de recherche et les combiner.
Pour annuler la sélection du filtre, cliquez sur le bouton "Supprimer" sous le tableau.
Les détails du produit, y compris la fonction eShop et le modèle 3D , peuvent être consultés en cliquant sur la ligne de l'article désiré.
Pour annuler la sélection du filtre, cliquez sur le bouton "Supprimer" sous le tableau.
Les détails du produit, y compris la fonction eShop et le modèle 3D , peuvent être consultés en cliquant sur la ligne de l'article désiré.