Zur Startseite gehen

Bolzen-Konfigurator mit Einstich

1 Bewertung seit 26.08.2021
Beschreibung

Einsatz und Vorteil von Bolzen mit Einstich

Bei dieser Art von Bolzen ist eine umlaufende Nut angebracht, welche zur Aufnahme eines Sicherungsringes zur Absicherung des Bolzens dient. Im Gegensatz zu den DIN-Bolzen mit Splintloch hat diese Art der Sicherung den Vorteil der Wiederverwendbarkeit. Auf Grund des Härteprozesses in der Herstellung weisen die Sicherungsringe eine deutlich höhere Vorspannung und Belastbarkeit auf als der gewöhnliche Splint. Dadurch kann der Bolzen als Steckverbindung viele Male geöffnet und geschlossen werden, während der Splint in der Regel als Einmalverbinder zum Einsatz kommt. Grundsätzlich kann dabei aus folgenden Sicherungselementen gewählt werden:

Zur einfacheren Handhabung bei der Montage, bzw. Demontage bieten wir für die meisten Sicherungen zudem passende Montagewerkzeuge an.

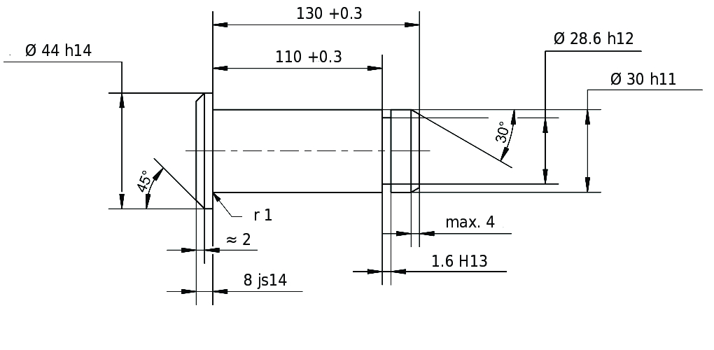
Der Bolzen mit Einstich als Lagerware

Bevor Sie sich Ihren eigenen Bolzen konfigurieren, sollten Sie einen Blick auf unsere standardisierten Bolzen passend für Gabelköpfe werfen. Während die Konfigurator-Bolzen meist kundenspezifisch und in kleinen und mittleren Stückzahlen gefertigt werden, laufen diese als Standardverbinder in Großserie. Dadurch profitieren Sie als Kunde von besonders günstigen Konditionen und schneller Lieferung oftmals direkt ab Lager.

Der Konfigurator für Ihren individuellen Bolzen mit Einstich

So vielfältig die Einbausituationen, so individuell sind auch die zum Einsatz kommenden Bolzen. Unser Konfigurator soll es Ihnen dabei so einfach wie möglich machen und die unnötigen Reibungsverluste der klassischen Angebots- und Bestellbearbeitung ersparen. Die Vorgehensweise ist dabei wie folgt:

  1. Form: Wählen Sie die gewünschte Bolzenform in Anlehnung an die ISO 2340, bzw. ISO 2341.
  2. Durchmesser: Legen Sie den notwendigen Wellendurchmesser fest.
  3. Material: Definieren Sie das Grundmaterial. Ihnen stehen dabei Stahl oder Edelstahl in verschiedenen Güten zur Auswahl.
  4. Oberfläche: Abhängig von Ihrer Wahl unter 3. können Sie dem Bauteil einen zusätzlichen Korrosionsschutz mit auf den Weg geben.
  5. Sicherungstyp: Selektieren Sie das gewünschte Sicherungselement. Dadurch berechnet der Konfigurator selbstständig die benötigten Mindestmaße und -abstände.
  6. Länge in mm: Erscheint nur bei den Sicherungstypen "KL", "DIN 6799" sowie "DIN 471".
  7. Klemmlänge in mm: In Kombination mit 6. das wesentliche Funktionsmaß. Es ist grundsätzlich ausreichend, entweder nur die Klemmlänge oder nur die Länge zu definieren. Das andere Maß ergibt sich aus den hinterlegten Bemaßungen des Sicherungstyps. Natürlich können Sie aber auch beide Abmessungen Ihren Vorstellungen anpassen.
  8. Das passende Sicherungselement: Durch Anhaken des vorgeschlagenen Sicherungselementes unter "Zubehör für" wird das passende Sicherungselement in der notwendigen Stückzahl zusätzlich zu dem eigentlichen Bolzen automatisch mit in den Warenkorb gelegt. Voraussetzung hierfür ist, dass dieses zum gegenwärtigen Zeitpunkt auch im Shop verfügbar ist.

Und natürlich bieten wir auch für dieses Tool die bewährten Online-Vorteile im Gegensatz zum konventionellen Bestellweg:

  • Losgröße 1
  • Sofortauskunft über Verfügbarkeit und Lieferzeit
  • Produktspezifische Preisvorteile
  • Kein Mindermengenzuschlag
  • Versandkostenfrei in Deutschland ab 25€

Usability, eine intuitive Bedienung und die Integration von 50 Jahren Erfahrung im Bereich der Verbindungstechnik waren im Zuge der Entwicklung des Konfigurators unsere Maxime, um Ihr Leben etwas einfacher zu machen.
Sie vermissen dennoch Funktionalitäten? Dann freuen wir uns auf Ihr Feedback!

[[ title ]]
Preis pro Stück
Nicht verfügbar [[ formatedPrice ]] Auf Anfrage
ab [[ price.from ]] Stück nur [[ price.price ]]
Optional
Lieferzeit
[[ computedDelivery(deliveryData?.deliveryTimeDays) ]]
Auf Anfrage
noch [[ stock ]] Stück am Lager


Priorisieren Sie dieses Bauteil (max. 400 Stück) in unserer Fertigung. Verkürzen Sie die Lieferzeit um 1-2 Werktage. Diesen Service testen wir aktuell exklusiv für das Lieferland Deutschland.
Zubehör für [[ title ]]
Ähnliche Artikel lieferbar
Warenkorb
Gesamtpreis
Nicht verfügbar [[ formatedSumprice ]] Auf Anfrage

inkl. MwSt.
zzgl. Versandkosten

Rechtlicher Hinweis für Verbraucher

Bitte beachten Sie, dass es sich bei diesem Produkt immer um ein individuell für Sie gefertigtes Produkt handelt und das Widerrufsrecht aus diesem Grunde von uns nicht gewährt werden kann! Das Produkt wird exakt nach der ausgegebenen Zeichnung hergestellt, welche Sie im Bestellfall auch nochmals per Mail erhalten.

Konfiguration
zurücksetzen
ProduktdetailsPDF-Download
3D-ModellSTEP-Download