Passer au contenu principal Passer à la recherche Passer à la navigation principale
Retour à la page d'accueil

Configurateur de goujons avec gorge

4 évaluations depuis le 26.08.2021
Description

Utilisation et avantage des goujons avec gorge

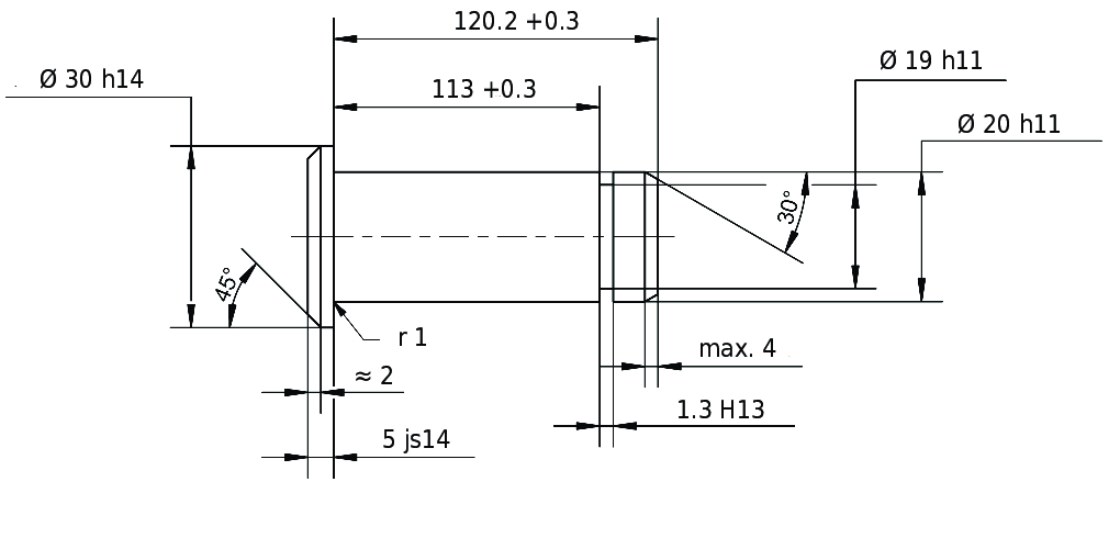
Ce type de goujons possède une rainure périphérique qui sert à maintenir un circlip pour fixer le goujon. Contrairement aux goujons DIN avec alésage, ce type de mécanisme a l'avantage d'être réutilisable. Grâce au procédé de trempe utilisé lors de la fabrication, les circlips ont une capacité de précontrainte et de charge nettement supérieure à celle des goupilles conventionnels. Cela signifie que les goujons utilisés comme connecteurs peuvent être ouverts et fermés plusieurs fois, tandis que les goupilles sont généralement utilisés comme connecteurs uniques. En général, vous pouvez choisir parmi les éléments de blocage suivants :

Pour faciliter la manipulation lors du montage et du démontage, nous fournissons également des outils de montage appropriés pour la plupart de nos éléments de blocage.

Le goujon avec gorge est en stock

Avant de configurer votre propre goujon, vous devriez jeter un coup d'œil sur nos goujons standardisés pour tête de chape. Alors que les goujons conçus à l'aide du configurateur sont généralement fabriqués selon les spécifications du client en petites et moyennes quantités, ces produits standard sont fabriqués en grandes séries. En tant que client, vous bénéficiez ainsi de conditions particulièrement avantageuses et d'une livraison rapide, souvent directement depuis notre entrepôt.

Configurateur pour votre goujon avec gorge

Les goujons utilisés sont tout aussi individuels que les nombreuses applications dans lesquelles ils sont installés. Notre configurateur a pour but de vous simplifier au maximum la tâche et d'éviter les pertes de temps inutiles du processus conventionnel des devis classiques et du traitement des commandes. La procédure est la suivante :

  1. Forme : Choisir la forme de goujon souhaitée selon ISO 2340 ou ISO 2341.
  2. Diamètre : Préciser le diamètre d'arbre souhaité.
  3. Matériau : Spécifier le matériau de base. Vous avez le choix entre l'acier ou l'acier inoxydable dans différentes nuances.
  4. Surface : En fonction de votre choix au point 3, vous pouvez doter le composant d'une protection supplémentaire contre la corrosion.
  5. Version de blocage : Sélectionner l'élément de blocage souhaité. Le configurateur calcule automatiquement les dimensions et les distances minimales requises.
  6. Longueur en mm : Apparaît uniquement pour les versions de blocage "KL", "DIN 6799" et "DIN 471".
  7. Longueur de la pince en mm : En combinaison avec le point 6, c'est la dimension fonctionnelle la plus importante. Il suffit généralement de spécifier soit seulement la longueur de la pince, soit seulement la longueur elle-même. L'autre valeur résulte des spécifications de dimensions déterminées pour ce version de blocage. Bien entendu, vous pouvez également adapter les deux dimensions pour créer votre produit parfait.
  8. Le bon élément de blocage : En cochant l'option « élément de blocage » sous « Accessoires », l'élément de blocage correspondant est automatiquement placé dans votre panier d'achat dans la quantité souhaitée, à condition est qu'il soit également proposé dans le magasin.

Et bien sûr, vous bénéficiez également les avantages éprouvés en ligne pour cet outil, contrairement au processus de commande conventionnel :

  • Taille de lot 1
  • Informations immédiates sur la disponibilité et le délai de livraison
  • Avantages de prix spécifiques au produit
  • Pas de supplément pour les petites quantités

« Usability », l'utilisation intuitive et l'intégration de 50 ans d'expérience dans le domaine de la technique d'assemblage ont été notre maxime lors du développement du configurateur. Nous voulons vous faciliter la vie.
Il vous manque encore des fonctionnalités ? Alors n'hésitez pas à nous faire part de vos commentaires.

[[ title ]]
Prix unitaire
Pas disponible [[ formatedPrice ]] Sur demande
à partir de [[ price.from ]] unités seulement [[ price.price ]]
En option
Délai de livraison
[[ computedDelivery(deliveryData?.deliveryTimeDays) ]]
Sur demande
encore [[ stock ]] unités en stock

Donnez la priorité à ce composant (max. 400 pièces) dans notre fabrication. Réduisez le délai de livraison de 1 à 2 jours ouvrables. Nous testons actuellement ce service en exclusivité pour le pays de livraison Allemagne.
Accessoires pour [[ title ]]
Articles similaires disponibles
Panier
Prix total
Pas disponible [[ formatedSumprice ]] Sur demande

dont TVA
plus frais de livraison

Mentions légales pour les consommateurs

Veuillez noter que ce produit est toujours un produit fabriqué individuellement. De ce fait, le droit de rétractation ne peut pas être accordé ! Le produit sera fabriqué exactement selon le vos plans, que vous recevrez également par mail si vous passez commande.

Configuration
réinitialiser
Détails du produitPDF-Download
Modèle 3DSTEP-Download